業內快訊
公布的時(shi)間:2018-07-05 11:08:07 預覽(lan):1977
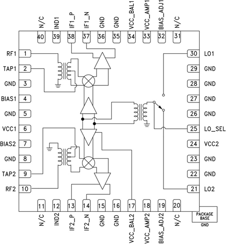
HMC683LP6C(E)是一款高線性度、雙通道下變頻(pin)器(qi),集(ji)成LO放大器(qi),采用6x6 SMT QFN封裝(zhuang),工作頻(pin)率(lv)(lv)為0.7 - 1.0 GHz。 LO驅動為0 dBm時(shi),3G和4G GSM/CDMA應用可以獲得+23 dBm的出色輸入(ru)IP3下變頻(pin)性能。 采用1 dB (+11 dBm)壓縮時(shi),RF端口支持各(ge)(ge)種(zhong)輸入(ru)信號電平。立維創(chuang)展HMC683LP6C 轉換增益(yi)典型值(zhi)為7.5 dB。 60 - 500 MHz的IF頻(pin)率(lv)(lv)響應能夠滿足各(ge)(ge)種(zhong)GSM/CDMA接收頻(pin)率(lv)(lv)規劃要求。
| 品牌 | 型號 | 描述 | 貨期 | 庫存 |
| ADI |
HMC683LP6CE HMC683LP6CETR |
高IP3雙通道下變頻器SMT,集成LO開關,0.7 - 1.0 GHz | 現貨 | 223 |
HMC683LP6CE應(ying)用
HMC683LP6CE優勢和特點
HMC683LP6CE結構圖
