HMC685LP4E/HMC685LP4ETR高動態圖使用范圍融合LO縮放器 ADI現貨黃金
披(pi)露(lu)時刻:2018-07-05 11:41:27 瀏覽記錄:2117
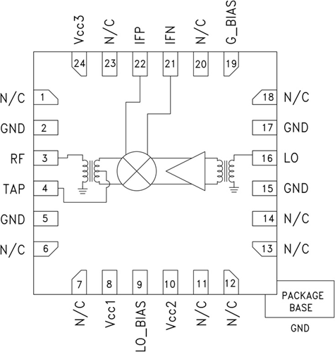
HMC685LP4(E)也是款高動態圖比率無源MMIC混頻器,結合LO拖動器,使用4x4 SMT QFN打包封裝,運轉規律為1.7 - 2.2 GHz。 LO驅動程序為0 dBm時,3G和4G GSM/CDMA操作是可以刷快+32 dBm的優異導入IP3下調頻性能指標。 使用1 dB (+27 dBm)再壓縮時,RF端口處支撐不同的導入的信號電平。 換算自然損耗典型性臨界值8 dB。 DC至500 MHz的IF規律反應可能擁有GSM/CDMA發送或發送到規律控規讓。 HMC685LP4(E)與HMC684LP4(E)引腳兼容,因此也是款結合LO拖動器的700 - 1,000 MHz混頻器。
|
品牌
|
型號
|
描述
|
貨期
|
庫存
|
|
ADI
|
HMC685LP4E
HMC685LP4ETR
|
集成LO放大器的BiCMOS混頻器,1.7 - 2.2 GHz
|
現貨
|
158
|
HMC685LP4應用
-
蜂窩/3G和LTE/WiMAX/4G
-
基站和中繼器
-
GSM、CDMA和OFDM
-
發射機和接收機
HMC685LP4優勢和特點
-
高輸入IP3:+35 dBm
-
8 dB轉換損耗(0 dBm LO)
-
針對低端LO輸入優化
-
可調電源電流
-
上變頻和下變頻應用
-
24引腳4x4mm SMT封裝:16mm2
HMC685LP4結構圖
