企業方式
頒布時段(duan):2018-07-05 11:45:09 訪問 :2622
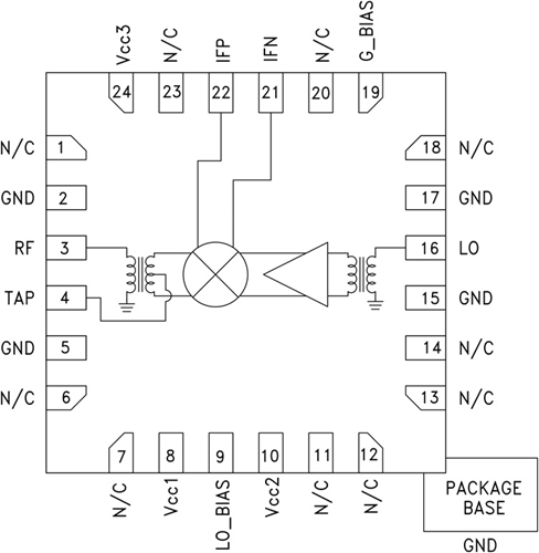
HMC689LP4(E)是一款高動態范圍無源MMIC混頻器,集成LO放大器,采用4x4 SMT QFN封裝,工作頻率為2.0 - 2.7 GHz。 LO驅動為0 dBm時,3G和4G GSM/CDMA應用可以獲得+32 dBm的出色輸入IP3下變頻性能。 采用1 dB (+23 dBm)壓縮時,RF端口支持各種輸入信號電平。 轉換損耗典型值為7.5 dB。 DC至800 MHz的IF頻率響應能夠滿足GSM/CDMA發射或接收頻率規劃要求。 HMC689LP4(E)與立維創展HMC688LP4(E)引腳兼容,后者是一款2.0 - 2.7 MHz混頻器,集成LO放大器且針對低端LO應用優化。
| 品牌 | 型號 | 描述 | 貨期 | 庫存 |
| ADI |
HMC689LP4E HMC689LP4ETR |
集成LO放大器的BiCMOS MMIC混頻器,2.0 - 2.7 GHz | 現貨 | 297 |
適用
HMC689LP4優勢和特點
