業新聞
發布信息(xi)時段:2020-04-28 10:15:58 預覽:1778
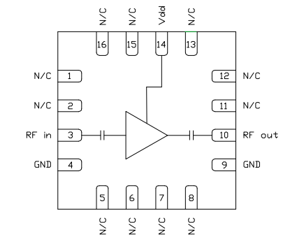
CMD264P3是(shi)一款寬帶MMIC低(di)噪(zao)聲放大(da)器(qi),采用(yong)無引線3x3毫米塑(su)料(liao)表面貼裝(zhuang)封裝(zhuang)。CMD264P3非常適(shi)合需要小尺寸(cun)和(he)低(di)功耗的(de)(de)電子戰和(he)通(tong)信系(xi)統。寬帶設備(bei)提供大(da)于(yu)26db的(de)(de)增(zeng)益,相應的(de)(de)輸出1db壓(ya)縮點(dian)為(wei)+12dbm,在10ghz時(shi)噪(zao)聲系(xi)數(shu)為(wei)1.6db。CMD264P3采用(yong)50歐姆匹配設計,無需外部直流模塊和(he)射頻端口匹配。

CMD264P3顯著特點
極低噪聲源指數(shu)
高(gao)增益值聯(lian)通寬帶耐磨性
單主機電源端電壓:63毫安時+3.0伏
無鉛(qian)RoHs兼容3x3 QFN封裝(zhuang)類型
廣(guang)州 市立(li)維創展是(shi)MMIC的代里推銷(xiao),通常推銷(xiao)MMIC設(she)(she)備的低嗡(weng)(weng)嗡(weng)(weng)聲(sheng)擴(kuo)大(da)(da)(da)器(qi)、控(kong)制擴(kuo)大(da)(da)(da)器(qi)、輸出功率(lv)擴(kuo)大(da)(da)(da)器(qi)、低相位嗡(weng)(weng)嗡(weng)(weng)聲(sheng)擴(kuo)大(da)(da)(da)器(qi)、寬超(chao)范圍分(fen)布(bu)不均式擴(kuo)大(da)(da)(da)器(qi),CUSTOM MMIC幫(bang)助到您(nin)選擇相似(si)中最合適的MMIC簡化您(nin)的微波(bo)加熱(re)表現鏈。CUSTOM MMIC就是(shi)一個完成的ISO認證服務(wu)設(she)(she)計方案師和同行更優MMIC廠(chang)家直銷(xiao)商。CUSTOM MMIC可以提供更快的增長額(e)的高特點微波(bo)射頻/徽(hui)波(bo)MMIC產品一系列。
立(li)維(wei)創(chuang)體現出(chu)有200只CMD264P3原裝機進(jin)口現貨(huo)交易,產品質量(liang)做到,原裝機進(jin)口進(jin)口,歡迎(ying)詞詢問。