HMC713LP3ETR/HMC713LP3E常用對數檢波器/的控器 ADI現貨黃金
披露(lu)期(qi)限(xian):2018-07-09 12:01:46 訪問 :6927
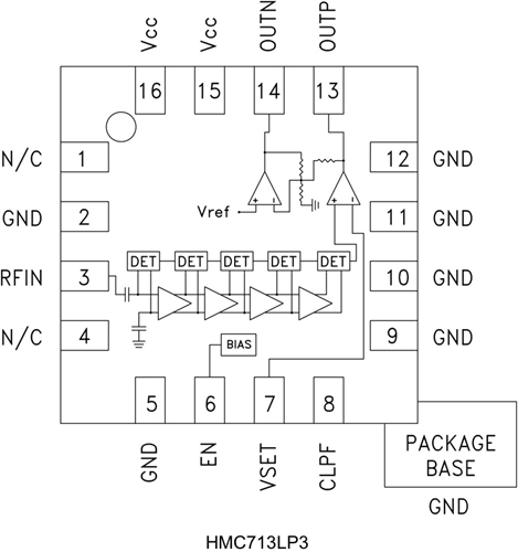
HMC713LP3E常用對數計算檢波器/管控器更加可以將RF數字預警(50 MHz至8000 MHz次數范疇內)的耗油率在變為端變為為與鍵盤鍵入耗油率不成比例的直流電交流相電壓。 HMC713LP3E利用不間斷降低科技,可在寬鍵盤鍵入次數范疇內供給兼有高檢測的gps精度的54 dB技術性范疇。 近年來鍵盤鍵入數字預警不斷增加,不間斷變成器漸漸打開趨于穩定,得以制成準確的常用對數計算變量矩陣合同值。 一品類檢波器變為求和、變為成交流相電壓域并響應帶動OUTP變為。
若您有每提出問題,請取得聯系我門立維創展,我門會盡主要拼命為您的服務。
在驗測方法下,OUTP引腳接觸到VSET輸進,作為17 mV/dB標稱多數斜率和-68 dBm截距。
HMC713LP3E也就可以在操縱器經濟模式,下采用,在該經濟模式,下向VSET引腳加入的外接電阻值以實現了AGC或APC報告環路。
|
品牌
|
型號
|
描述
|
貨期
|
庫存
|
|
ADI
|
HMC713LP3ETR
HMC713LP3E
|
54 dB對數檢波器/控制器,采用SMT封裝,50 - 8000 MHz
|
現貨
|
170
|
HMC713LP3ETR選用
-
蜂窩基礎設施
-
WiMAX, WiBro和amp; LTE/4G
-
電源監控和控制電路
-
接收機信號強度指示(RSSI)
-
蜂窩基礎設施
-
自動增益和功率控制
HMC713LP3ETR優勢和特點
-
寬動態范圍: 高達54 dB
-
高精度: ±1 dB (54 dB)
范圍高達2.7 GHz
-
快速輸出響應時間
-
電源電壓: +2.7至+5.5V
-
省電模式
-
出色的溫度穩定性
-
16引腳3x3 mm SMT封裝: 9mm2
HMC713LP3ETR結構圖
