HMC611LP4/HMC611LP4E工作效率監視器對數計算檢波器 ADI微商代理現貨黃金
推送時間間隔:2018-07-09 13:57:07 看:7290
HMC611LP4(E)常用對數計算檢波器/操控器將放入鍴的RF預警轉成為打印輸出端相等的DC電流。HMC611LP4(E)采用多次壓縮的拓撲關系設計,供給寬放入率超范圍內內的挺高日常動態超范圍內和轉成gps精度。隨之放入電率加入,多次調大器頻頻步入飽和狀態,故而轉換精確性的常用對數計算變量近似值值。
若您有其余提出問題,請練習公司立維創展,公司會盡極限拼命為您售后服務。
一系mm2律檢波器打印輸出相電壓求和、轉型成電流域并加載帶動LOGOUT打印輸出相電壓。在判斷模型下,LOGOUT引腳燒壞到VSET導入并具備-25mV/dB的標稱多數斜率和18 dBm的截距(22 dBm,? ≥ 5.8 GHz)。HMC611LP4(E)也可在調整器模型下的使用,向VSET引腳給予內部電流以導出AGC或APC反應環路。
|
品牌
|
型號
|
描述
|
貨期
|
庫存
|
|
ADI
|
HMC611LP4
HMC611LP4E
|
對數檢波器控制器,采用SMT封裝,0.001 - 10.0 GHz
|
現貨
|
151
|
HMC611LP4app
-
蜂窩/PCS/3G
-
WiMAX、WiBro、WLAN、
固定無線和雷達
-
功率監控和控制電路
-
接收機信號強度指示(RSSI)
-
自動增益和功率控制
HMC611LP4優勢和特點
-
寬動態范圍:高達63 dB
-
高精度:±1 dB
54 dB范圍高達8 GHz
-
電源電壓:+5V
-
出色的溫度穩定性
-
緩沖溫度傳感器輸出
-
緊湊型4x4mm無引腳SMT封裝
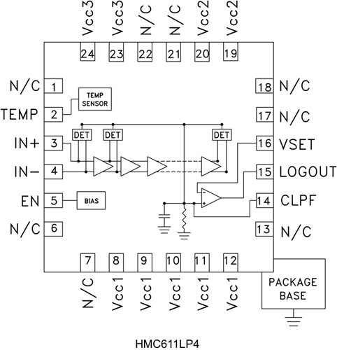
HMC611LP4結構圖
