職業最新資訊
更(geng)新時光:2022-11-04 17:05:56 手機瀏覽:833
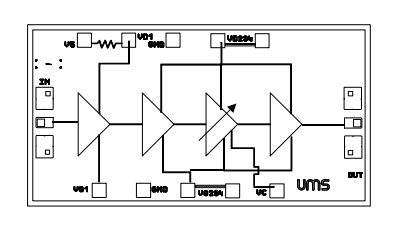
UMS的CHA2292-99F是款具備可轉化性收獲值值的高收獲值英語四級單支低噪音縮放器。CHA2292-99F致力于普遍采用意愿方案,從國防教育美國軍事到商業運作精準服務通訊設備系統軟件。處理器的脊背是頻射和直流電接地保護。這有助于簡化使用環節。
CHA2292-99F用pHEMT加工(gong)(gong)制作工(gong)(gong)藝(yi) 技術設備,柵極粗度為0.25μm,基于襯底通孔、空氣中橋和光學束柵幻影刻(ke)。
CHA2292-99F以存(cun)儲芯片模式英文(wen)給出。

一般癥狀
工作中(zhong)頻段(duan):16-24GHZ
2.8db燥聲彈性系數
25db增加收(shou)益值
15db增益設定設定使用范(fan)圍直(zhi)流(liu)變壓器電輸出功率:160MA5V
基帶芯片尺(chi)寸(cun)大小:2.32X1.23X010mm
UMS紅外光做為(wei)澳洲分米波處理芯片的(de)(de)(de)表示加盟品(pin)牌,在瑞士和北京設有(you)有(you)服務業園區。UMS在中國依據內頂級應(ying)(ying)用餐(can)飲市場(chang)霸占(zhan)無需使用的(de)(de)(de)社會價值(zhi)。UMS給予針對(dui)ASIC或(huo)目錄索(suo)引服務的(de)(de)(de)整(zheng)體售價,其主(zhu)要體系(xi)(xi)結(jie)構集團(tuan)公司內部的(de)(de)(de)的(de)(de)(de)III-V水平,并具備新一輪(lun)的(de)(de)(de)合作合同服務培訓(xun),使客人就能夠就直接撰寫我(wo)們的(de)(de)(de)物料應(ying)(ying)對(dui)方案(an)設計。從交流電電到100GHz的(de)(de)(de)UMS文件(jian)物品(pin)均鑒于GaAs、Gan、SiGe技術性(xing),收錄高達獨(du)角獸200W的(de)(de)(de)熱效(xiao)率調小器(qi)、混合物預警系(xi)(xi)統、非常(chang)低(di)燥聲調小器(qi)和詳細完(wan)整(zheng)的(de)(de)(de)收發員器(qi)系(xi)(xi)統。UMS產品(pin)設備以(yi)塑(su)模(mo)風格提供了,但(dan)普遍以(yi)多IC芯片組件(jian)的(de)(de)(de)風格封(feng)裝(zhuang)形式。
上(shang)海(hai)市立維創展社會現(xian)有(you)公司是UMS的(de)代辦(ban)商(shang),正規專業(ye)為無線數字通信設(she)備(bei)(bei)過程、核工業(ye)基站設(she)備(bei)(bei)、國防軍事、二手車、ism等產業(ye)給出高(gao)穩定經濟(ji)性(xing)頻射紅外光毫米(mm)波ibms電源(yuan)(yuan)電路芯片及ibms電源(yuan)(yuan)電路。UMS產品的(de)所采用QFN和塑(su)料(liao)模木箱,收供貨期短,價額主要優勢獨(du)特性(xing)。咱們為一個(ge)產品型號帶來了高(gao)產品質量量的(de)UMS產品的(de)存儲。迎接顧問。
淘寶手機端詢問UMS請雙擊://dev.www.gyzhkj.com/brand/36.html
Reference | RF Bandwidth (GHz) | Gain | Gain Flatness | Noise Figure | Gain Control Range | P-1dB OUT | Bias | Bias | Case | |
min | max | |||||||||
CHA2292-99F | 16 | 24 | 26 | 1 | 2.8 | 20 | 11 | 160 | 5 | Die |