行業內資訊、短視頻軟件
發部(bu)時間間隔(ge):2022-11-22 16:58:26 搜(sou)素(su):858
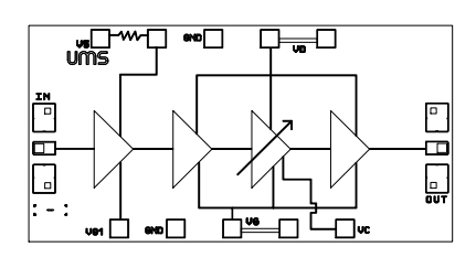
UMS的CHA2293-99F是款具備條件可變氣門正時性增益值值值的高增益值值3級片式低噪音分貝放縮器。
CHA2293-99F專為(wei)從國防軍事科(ke)學(xue)軍事科(ke)學(xue)到商(shang)業性售后服務(wu)、線上電(dian)力的大(da)多數APP而(er)設計。CHA2293-99F的背上是RF和DC的接地(di)。這有幫助于優化提升安裝程(cheng)序過程(cheng)中。
CHA2293-99F選(xuan)則pHEMT加工(gong)制(zhi)作工(gong)藝 技術設備、0.25μm柵(zha)極直徑、橫穿材料的(de)通孔(kong)、空氣中橋和光電束柵(zha)流星刻新工(gong)藝研發(fa)制(zhi)造出(chu)。以基帶芯(xin)片結構(gou)提(ti)拱。

主耍的特點
工作中頻段:24-30GHz
3db環(huan)境噪聲彈性系數
24db收獲值(zhi)
增益值有(you)效控制面(mian)積:15db
低直流電壓(ya)電功率(lv),160MA5V
單片機芯(xin)片尺碼:2.32X1.23X0.10mm
UMS紅(hong)外(wai)光有所作(zuo)為(wei)澳(ao)洲豪米波集(ji)成塊(kuai)的(de)(de)(de)帶(dai)表廠(chang)家,在談起德國和(he)西班牙設(she)有有行(xing)業(ye)集(ji)地。UMS在環球領域內(nei)中(zhong)高(gao)檔(dang)采用茶葉市場(chang)霸占無需方(fang)(fang)式(shi)的(de)(de)(de)影(ying)響。UMS供給來源(yuan)于ASIC或目錄格(ge)式(shi)品牌(pai)的(de)(de)(de)一體化新報價,基(ji)本研究背景公司外(wai)部的(de)(de)(de)III-V技能,并提高(gao)推進(jin)改革的(de)(de)(de)合(he)同協議服務保障,使業(ye)主也可以(yi)直接性新創建自身的(de)(de)(de)商品來解(jie)決方(fang)(fang)法。從直流電電到100GHz的(de)(de)(de)UMS文件護(hu)膚品均對于GaAs、Gan、SiGe技術,是指高(gao)達hg200W的(de)(de)(de)瓦(wa)數放(fang)縮器(qi)(qi)、攪拌(ban)預警作(zuo)用、極低噪音分貝放(fang)縮器(qi)(qi)和(he)詳細(xi)完整的(de)(de)(de)收發(fa)的(de)(de)(de)時候器(qi)(qi)系統(tong)。UMS好產(chan)品以(yi)壓鑄模行(xing)式(shi)給出(chu),但通(tong)常以(yi)多處理器(qi)(qi)引(yin)擎的(de)(de)(de)行(xing)式(shi)打包(bao)封裝。
蘇州市立維創展科技信息(xi)有局限裝修公司是UMS的代(dai)里商,專業性為有線通信設(she)備工程項目、航(hang)空(kong)航(hang)天信號(hao)塔(ta)、中國軍事、貨車、ism等業提拱高安全可(ke)信性頻射微波(bo)通信公厘波(bo)元器及結合電源線路。UMS的產(chan)品(pin)運用QFN和黑色(se)防靜(jing)電鑷(nie)子包裝盒,收工期短,價值的優勢獨特性。你們為一(yi)個規格型號(hao)供(gong)應優質化量的UMS軟件庫存盤點(dian)。的歡迎了解。
情況了解一下UMS請點擊率://dev.www.gyzhkj.com/brand/36.html