企業知識
發部時光(guang):2018-06-06 10:29:37 查看(kan):2628
HMC907APM5E不(bu)(bu)是款(kuan)GaAs MMIC pHEMT分散式(shi)效(xiao)(xiao)率(lv)放小器(qi)(qi)(qi),上班頻繁(fan)使用(yong)使用(yong)范圍為(wei)0.2 GHz至22 GHz。該自偏置效(xiao)(xiao)率(lv)放小器(qi)(qi)(qi)給(gei)予14 dB收(shou)獲值、+40 dBm讀取(qu)IP3和+28 dBm讀取(qu)效(xiao)(xiao)率(lv)(1 dB收(shou)獲值解(jie)壓(ya)縮),工作電壓(ya)僅350 mA(主要(yao)(yao)運用(yong)+10 V電原)。HMC907APM5E在(zai)0.2 GHz至22 GHz使用(yong)使用(yong)范圍內給(gei)予±0.7 dB的(de)(de)不(bu)(bu)錯收(shou)獲值十(shi)分的(de)(de)平整度,因此(ci)十(shi)分的(de)(de)最合適EW、ECM、雷達天(tian)線和檢查機器(qi)(qi)(qi)技術應用(yong)。HMC907APM5E放小器(qi)(qi)(qi)I/O組(zu)織結構配(pei)(pei)比至50 Ω,便捷控(kong)制器(qi)(qi)(qi)化到多IC芯片控(kong)制器(qi)(qi)(qi)(MCM)中,主要(yao)(yao)運用(yong)無引腳QFN 5x5 mm表貼二(er)極管封(feng)裝,不(bu)(bu)要(yao)(yao)異常配(pei)(pei)比元器(qi)(qi)(qi)件。
品牌
型號
描述
貨期
庫存
ADI
HMC907APM5E
HMC907APM5ETR
GaAs pHEMT MMIC功率放大器0.2 - 22 GHz
現貨
69
HMC907APM5E應用
HMC907APM5E優勢和特點
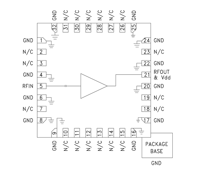
HMC907APM5E結構圖
