欧洲一区二区-欧美激情一区二区-国产激情在线-欧美在线一区二区

HMC994APM5E/HMC994APM5ETR分布圖制作式帶寬馬力圖像運放電路 ADI期貨熱銷

推送的時間:2018-06-06 10:40:10     閱讀:2698

HMC994APM5E就是款GaAs pHEMT MMIC地理集中(zhong)式聯通寬(kuan)帶(dai)電(dian)率放(fang)縮器(qi),上班(ban)頻繁 領域(yu)為DC至28 GHz。該放(fang)縮器(qi)供應13 dB收獲,+29 dBm飽和輸出電(dian)壓電(dian)率,23% PAE(+10V電(dian)原(yuan))。輸出電(dian)壓IP3高達到+38 dBm,HMC994APM5E適的(de)標準高規(gui)則化度(du)的(de)中(zhong)國國防、太(tai)空船包括點對點通信和點對多些移動電(dian)適用(yong)。HMC994APM5E在4至16 GHz領域(yu)內(nei)(nei)含有也十分(fen)十分(fen)的(de)平整的(de)收獲,因此(ci)十分(fen)的(de)適EW、ECM、聲納和測試方法(fa)專用(yong)設備(bei)適用(yong)。HMC994APM5E放(fang)縮器(qi)I/O內(nei)(nei)壁(bi)相匹(pi)配(pei)至50 Ω,選用(yong)無引腳QFN 5×5 mm表貼芯片封裝。


品牌 型號 描述 貨期 庫存
ADI HMC994APM5E
HMC994APM5ETR
GaAs pHEMT MMIC功率放大器,DC - 28 GHz 現貨 58

HMC994APM5E應用(yong)

  • 測試儀器儀表
  • 微波無線電和VSAT
  • 電信基礎設施
  • 軍事和太空
  • 光纖產品

HMC994APM5E優勢和特點

  • P1dB輸出功率:+27 dBm
  • Psat輸出功率:+29 dBm
  • 高增益:13 dB
  • 輸出IP3:+38 dBm
  • 電源電壓:Vdd = +10V (250 mA)
  • 50 Ω匹配輸入/輸出
  • 32引腳5×5 mm SMT封裝:25 mm2


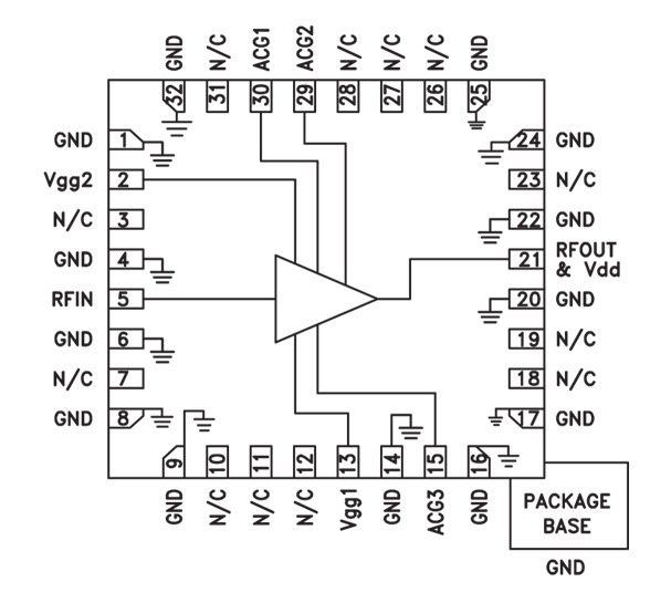
HMC994APM5E結構示意圖



最新推薦咨詢
  • 關于THUNDERLINE-Z產品申明
    關于THUNDERLINE-Z產品申明 2020-10-14 15:54:05 河南市立維創展高新科技有限制的公司的,是俄羅斯THUNDERLINE-Z & Fusite國產品牌在全國的軟件授權營銷分銷商,其復合窗戶玻璃封閉接插件,已廣泛性用途于航天部、軍用、通信系統等高是真的嗎性的領域。
  • CMD283C3超低噪聲MMIC放大器現貨庫存
    CMD283C3超低噪聲MMIC放大器現貨庫存 2025-08-22 16:41:29 Custom MMIC(現屬 Qorvo)的 CMD283C3 極低低頻空調噪聲 MMIC 放縮器應用 3x3 mm 無引線陶瓷制品 QFN 芯片封裝,速度范圍內 2 - 6 GHz,提供高增益值、低低頻空調噪聲、低耗電量等功能,適合于 S/C k線多前沿技術。