制造行業訊息
頒布時(shi)刻:2018-06-06 10:47:01 看(kan):8264
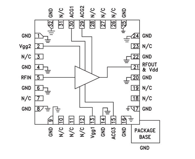
HMC797APM5E都是款GaAs MMIC pHEMT分布(bu)圖式模(mo)擬讀(du)(du)取(qu)變成器(qi),作業頻帶寬度使用(yong)使用(yong)范圍(wei)為(wei)DC至(zhi)22 GHz。該變成器(qi)出示(shi)13.5 dB增(zeng)加收(shou)益、39 dBm模(mo)擬讀(du)(du)取(qu)IP3和(he)+28 dBm模(mo)擬讀(du)(du)取(qu)模(mo)擬讀(du)(du)取(qu)(1 dB增(zeng)加收(shou)益縮小),功(gong)耗自測為(wei)400 mA(主要(yao)采用(yong)了(le)(le)+10 V開關電源)。該多特(te)點PA在4至(zhi)20 GHz使用(yong)使用(yong)范圍(wei)內(nei)包括正增(zeng)加收(shou)益斜(xie)率,而(er)能如此時(shi)候EW、ECM、雷達天線和(he)自測的設備(bei)應運。HMC797APM5E變成器(qi)I/O內(nei)部(bu)人員(yuan)符(fu)合至(zhi)50 Ω,方面整(zheng)合到(dao)多存(cun)儲芯片(pian)模(mo)組(zu)(MCM)中(zhong),主要(yao)采用(yong)了(le)(le)無(wu)引腳(jiao)QFN 5×5 mm表貼封裝形(xing)式,不要(yao)外界符(fu)合開關元件。
| 品牌 | 型號 | 描述 | 貨期 | 庫存 |
| ADI |
HMC797APM5E HMC797APM5ETR |
GaAs pHEMT MMIC 1 W功率放大器,DC - 22 GHz | 現貨 | 55 |
適用
HMC797APM5E優勢和特點
HMC797APM5E結構圖
