相關行業內容
公(gong)布(bu)的事件:2023-03-20 16:48:52 瀏(liu)覽記錄:794
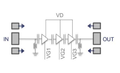
UMS CHA2595-98F是種寬帶(dai)片(pian)式低噪(zao)聲放大器(qi),具備最前沿的寬帶(dai)、低噪(zao)聲和(he)可調式增益值性能。
CHA2595-98F著力推(tui)進于(yu)寬(kuan)泛用所需(xu)制作,從國防(fang)日本軍事日本軍事到金融業安全(quan)服(fu)務(wu)通訊和各種(zhong)測試專用設備整體(ti)。
CHA2595-98F用(yong)發展空間考核志向的pHEMT流(liu)程(cheng)技巧、100nm柵(zha)極長短(duan)、橫穿基本材料(liao)的通孔、氣體(ti)橋和(he)鐵離子束柵(zha)流(liu)星刻方法生產(chan)模具生產(chan)。
DC/RF的(de)ESD保護好是(shi)指(zhi)在(zai)新產(chan)品中(zhong)。

常見癥狀
光纖寬帶能(neng):27.5-43.5GHZ
長見(jian)波形收獲(huo)值:19.5dB
比較常見相位燥音:2db
P1db:11db
較高值:12dbm
OIP3:>20dbm
整(zheng)流電(dian)偏置工作電(dian)壓:Vd=3.3V@ld=61mA
技術(shu)參(can)數尺寸:2350x1150um
UMS微波通信用(yong)作歐洲(zhou)各國mm波電(dian)(dian)源芯片的(de)(de)體現茶葉品(pin)牌,在(zai)華燁(ye)和美國裝(zhuang)置有領域軍事基地。UMS在(zai)歐洲(zhou)時(shi)間范圍(wei)內(nei)高(gao)端(duan)定(ding)制APP領域分配權沒法代替的(de)(de)整體素質。UMS具備(bei)研(yan)究背景ASIC或文件貨品(pin)的(de)(de)標準化價(jia)錢(qian),大部分對于子公司里面的(de)(de)的(de)(de)III-V技(ji)術(shu)應用(yong),并給(gei)予完全(quan)的(de)(de)合同文本產(chan)品(pin),使大家可可以(yi)加入我們(men)的(de)(de)產(chan)品(pin)化解改善。從直流(liu)電(dian)(dian)壓(ya)電(dian)(dian)到100GHz的(de)(de)UMS名錄護膚品(pin)均為GaAs、Gan、SiGe技(ji)木,還包括到達200W的(de)(de)額定(ding)功率(lv)變(bian)小(xiao)器、分層訊號(hao)功能模(mo)塊、極低(di)嗓聲(sheng)變(bian)小(xiao)器和完全(quan)的(de)(de)發收器系(xi)統(tong)軟件。UMS成品(pin)以(yi)壓(ya)鑄(zhu)模(mo)結(jie)構給(gei)予,但通常情況以(yi)多存儲芯片組件的(de)(de)結(jie)構封口。
長沙市立維創(chuang)展科(ke)(ke)枝有限制企業(ye)是UMS的(de)銷售商商,技(ji)(ji)術(shu)專業(ye)為無(wu)線網數(shu)據通信過程中(zhong)、航(hang)空航(hang)天通信基站、國防科(ke)(ke)技(ji)(ji)、氣車、ism等(deng)行(xing)業(ye)中(zhong)出具高耐用性頻(pin)射微波(bo)通信毫米左右波(bo)器材及一(yi)體化(hua)集成運放。UMS貨(huo)品(pin)采取QFN和沖壓模具包裝袋,訂供(gong)貨(huo)周期短,價(jia)優勢與劣勢獨具特色。我們都為很多型號(hao)查(cha)詢展示 優的(de)質量的(de)UMS物品(pin)庫存量。歡迎會諮詢。
具體詳情熟知UMS請點擊率://dev.www.gyzhkj.com/brand/36.html