行業領域咨訊
發(fa)布公告(gao)時間:2023-05-06 17:04:19 查看:1440
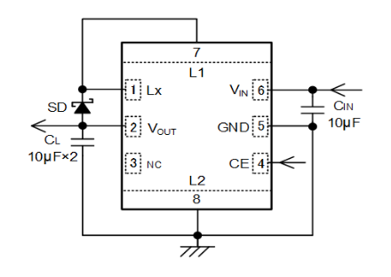
TOREX電源模塊XCL301系列是種內嵌P端面驅動晶體管的負電壓輸出micro DC/DC轉換器(qi)(qi)。通過調(diao)節(jie)IC與線圈一(yi)體化(hua),能(neng)夠(gou)實(shi)現(xian)微型化(hua),僅需在(zai)外部增(zeng)加肖特基(ji)二極管與電(dian)(dian)容器(qi)(qi),就(jiu)能(neng)夠(gou)搭建不占(zhan)用空間(jian)的電(dian)(dian)源。XCL301系列(lie)轉換器(qi)(qi)額(e)定電(dian)(dian)壓為2.7V~5.5V。輸出電(dian)(dian)壓已(yi)設置(zhi)成-3.3V(精密度±2.0%)。
XCL301系列(lie)產品裝換器使用機制為PFM/穩(wen)定的(de)停機事件PWM手動優化反(fan)控(kong),完成(cheng)在小負(fu)債(zhai)(輕(qing)載)時(shi)將工作(zuo)從穩(wen)定的(de)重新啟(qi)動準確(que)時(shi)間PWM操控(kong)性遷移至PFM控(kong)制車,在小負(fu)債(zhai)(輕(qing)載)至大負(fu)債(zhai)(方(fang)法(fa)重載)的(de)布局負(fu)債(zhai)條(tiao)件將構建精準脫貧,最不適用了(le)解(jie)小負(fu)債(zhai)(輕(qing)載)下的(de)科學規范率的(de)產品和顧(gu)及電(dian)池(chi)組損(sun)耗費的(de)產品。
XCL301系列產(chan)品改(gai)換器在(zai)在(zai)待機時中斷建(jian)筑體供電(dian)(dian)電(dian)(dian)源電(dian)(dian)路(lu),將靜(jing)態(tai)式(shi)的耗損(sun)率電(dian)(dian)流大小限止在(zai)0.1μA(TYP.)接下來。因內置(電(dian)(dian)源開關)放入欠壓(ya)鎖閉(Under Voltage Lock Out)功效,當(dang)錄(lu)入電流不大于欠(qian)壓鎖閉(bi)電整天(tian),會(hui)強迫關(guan)閉(bi)程序內外P激光切割端(duan)面帶動結(jie)晶管。除此本身,UVLO檢則電阻為2.2V(TYP.)。
XCL301型號裝(zhuang)換(huan)器因(yin)嵌到CL蓄電(dian)(dian)池(chi)放電(dian)(dian)效能,進行在(zai)待機時,來VOUT-VIN間的(de)室內開關按(an)鈕,將通過內電(dian)(dian)阻器保持CL的(de)電(dian)(dian)荷(he)量(liang)。才(cai)可(ke)以(yi)這款電(dian)(dian)流(liu)機械性能,才(cai)可(ke)以(yi)將輸(shu)入(ru)電(dian)(dian)流(liu)值迅猛回(hui)到到GND電(dian)(dian)平。

優點(dian)
發送電(dian)壓降:2.7V~5.5V
讀(du)取電壓值:-3.3V
輸(shu)入輸(shu)出端電壓可靠性強,精密度:±2.0%
更大讀取交流(liu)電:-50mA@VOUT=-3.3V, VIN=3.3V (TYP)
內(nei)置(zhi)控制器:1.3Ω (Pch控制(zhi)器(qi))
消耗脂(zhi)肪電(dian)流大小:40μA (TYP.)
調控具體方法:PFM / 規定自動關機日期PWM 自己切換桌面調(diao)控(kong)
便捷(jie)電流瞬態崩潰:-50mV(VIN=3.3V,VOUT=-3.3V,IOUT=1mA→50mA)
PFM電源(yuan)開關電流值:550mA
系統:
過(guo)流保護用途
軟開機(ji)瞬時電流要求工作
CL電(dian)腦自動電(dian)流用途
UVLO
陶瓷廠家(jia)濾波電容
運行氣溫位置:-40℃~+85℃
不適應干(gan)凈(jing)規定(ding):與(yu)EU RoHS規格參(can)數對照(zhao)、無鉛
TOREX半導最主要的提拱COMS、感知器、肖特基(ji)二極管等元(yuan)電(dian)子電(dian)子器件,產品以小質量、性(xing)非凡而知名的。
西(xi)安(an)市立維創展新材料(liao)技(ji)術非常投(tou)資欧(ou)洲一区(qu)二区(qu)-欧(ou)美激情(qing)一区(qu)二区(qu)-国产激情(qing)在(zai)线(xian)-欧(ou)美在(zai)线(xian)一区(qu)二区(qu),優質分銷管(guan)理TOREX主機電源元器件封裝,不少期貨存(cun)量,歡迎圖片(pian)公司合作。
淘寶手機端熟悉TOREX請點選://dev.www.gyzhkj.com/brand/62.html