職業最新資訊
披露期(qi)限:2023-06-06 16:49:39 手機瀏(liu)覽:1814
超低(di)噪(zao)聲放大(da)器(qi)具備非常低(di)的(de)相(xiang)位噪(zao)聲、相(xiang)對(dui)較高的(de)OIP3功率,能使用GSM/CDMA2000/WCDMA/LTE/LTE-A等模式(shi)通(tong)訊系(xi)統的通(tong)信(xin)基站(zhan)傳(chuan)輸線路。
WENTEQ的ALN0025-08-5208NW較低的解決變大器是極有代價熱效率的清理模式,一般廣泛用于要求太低解決變大的用途。

形態:
低的噪音和高增益值
低駐(zhu)波比,無(wu)的條件(jian)不穩明確性
體積小,的成本收費低(di)
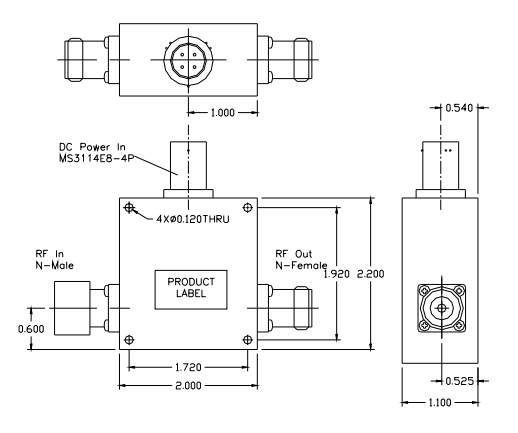
50ΩN公頭(tou)微波射頻(pin)(pin)輸入,N母頭(tou)微波射頻(pin)(pin)打(da)出
可適于(yu)(yu)于(yu)(yu)直流外(wai)接(jie)電源穩光電探測器源輸入MS3114E8-4P接(jie)連(lian)器
單入口+24V直流(liu)24v電(dian)源穩光電(dian)探測器源,鑲入交流(liu)電(dian)壓控制器
進行水(shui)溫(wen)-40~+85°C,會(hui)自動儲(chu)存狀態(tai)-55~+125°C
耐油性密封帶(dai)封裝,主(zhu)要是(shi)應用于野外工作使用的(de),邊部漆成(cheng)橘(ju)黃(huang)色
WENTEQ能提供(gong)各種類型(xing)高品味的徽(hui)波(bo)射頻(pin)和(he)徽(hui)波(bo)設(she)備,交期時段(duan)短(duan),價格多少有(you)(you)良性認知度。設(she)備有(you)(you)同軸連結器(qi)和(he)兼容(rong)性測試(shi)器(qi)、循環(huan)往復器(qi)、隔離防曬器(qi)、低背景噪聲變大器(qi)、工作功率變大器(qi)、網(wang)絡帶寬(kuan)變大器(qi)、接線(xian)端子(zi)排(pai)、波(bo)導(dao)部件等。
西安市(shi)立維創展科技產業是(shi)WENTEQ的代理商(shang)商(shang),重要(yao)作為WENTEQ物品屬于弧形(xing)器、丟開器、阻抗末端等,物品原版進口清關,質(zhi)保障,交房的時間較短,市(shi)場價優點,歡迎辭詳詢。
寶貝詳情理解WENTEQ請點選://dev.www.gyzhkj.com/brand/29.html