服務業方式
發布的事(shi)件(jian):2023-06-28 16:46:01 挑選:1721
非常低的噪音分貝放縮器是款噪音分貝指數公式超低的放縮器集成運放。APP于很多手機無線數據通信推送器高頻段率或中高頻段內置放縮器,基本高精確度手機集成電源線路芯片發現醫療儀器的輸出精度功率放縮集成運放。在放縮噪音分貝信息很多形式,噪音分貝放縮器集成運放這種的噪音分貝對信息的反應或許是相對難治,但是都希望減低這一類噪音分貝,若想提供輸出精度的噪音分貝指數公式。
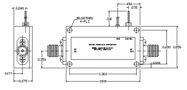
WENTEQ的ALN0025-40-3006較低燥(zao)音變(bian)大(da)器(qi)是極強總成本熱效率的防(fang)止方案格式,首(shou)要用(yong)以必須(xu) 太(tai)低燥(zao)音變(bian)大(da)的技術軟件(jian)應用(yong)。

功能:
低噪音、高增(zeng)益控(kong)制
低駐波比,無因(yin)素平穩性
體(ti)積小(xiao),投(tou)資成(cheng)本預(yu)算低
SMA母聯接器I/O
控制攝氏度-40~+75°C,處(chu)理(li)濕度-50~+85°C
WENTEQ能提供各(ge)式高品(pin)(pin)(pin)質的微波射頻射頻和(he)微波射頻成(cheng)品(pin)(pin)(pin),快速交貨(huo),工程團隊不(bu)斷(duan)突破工藝(yi)瓶頸(jing),根據不(bu)同護膚品(pin)(pin)(pin)的特性,制定不(bu)同的生產工藝(yi)用(yong)時短,的價格(ge)有爭(zheng)奪力。成(cheng)品(pin)(pin)(pin)包含(han)同軸聯接(jie)器(qi)和(he)兼容器(qi)、循(xun)環(huan)系統器(qi)、隔離(li)霜器(qi)、低環(huan)境噪聲放縮器(qi)、功效放縮器(qi)、寬帶網絡放縮器(qi)、接(jie)線端子(zi)排、波導元(yuan)器(qi)件等。
成都(dou)市立維創展科技(ji)產(chan)業是(shi)WENTEQ的零售(shou)商(shang)商(shang),基(ji)本(ben)供應WENTEQ類商(shang)品(pin)(pin)(pin)涉及(ji)環行器(qi)、隔離防曬(shai)器(qi)、短路電流POS機(ji)終端等,類商(shang)品(pin)(pin)(pin)正品(pin)(pin)(pin)進口貨,質量(liang)水平保護,提(ti)貨期限(xian)短,市場(chang)價(jia)優勢與(yu)劣勢,誠(cheng)邀資詢(xun)。
詳情頁分析WENTEQ請點開://dev.www.gyzhkj.com/brand/29.html