企業方式
頒布精力:2023-07-14 16:45:32 瀏覽網頁:1250
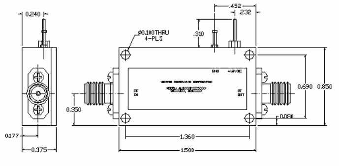
WENTEQ的ALN0090-22-5006低燥音變成器是款相位燥音不高的公率變成器。基本上看做多種多樣wlan通訊技術讀取器低頻段或中低頻前置攝像頭變成器,及高靈巧光學觀測儀器設備的變成器電源電路。在變成rf射頻忽閃數字信號燈的的情況下,公率變成器客觀存在的燥音對數字信號燈的干擾或許相對較情況嚴重,之所以盼望降一類燥音,可以提高自己輸出的的燥音因子。ALN0090-22-5006常適用GSM/CDMA2000/WCDMA/LTE/LTE-A等規格型號電力裝置的微波通信移動移動通信基站傳輸路由協議。

顯著特點:
低躁音、高收獲
低駐波(bo)比,無(wu)的條件維持性
身型小,利潤服務費低
SMA母接(jie)器I/O
實(shi)際操作溫(wen)度因素-40~+75℃,永久保存水溫-50~+85℃
WENTEQ出具一些高(gao)好(hao)品質(zhi)的頻(pin)射和紅外光(guang)好(hao)成品,出貨日(ri)子短,定價(jia)有爭奪力。好(hao)成品還有同(tong)軸連入器(qi)(qi)和替換(huan)器(qi)(qi)、不斷循環器(qi)(qi)、隔開(kai)器(qi)(qi)、低燥音調(diao)大器(qi)(qi)、工作電壓調(diao)大器(qi)(qi)、寬帶網(wang)絡調(diao)大器(qi)(qi)、接線鼻子、波導電子器(qi)(qi)件等。
廣州 市立維創展(zhan)科持(chi)是WENTEQ的(de)經售(shou)商,首要能(neng)提供WENTEQ廠(chang)品(pin)涉及方形(xing)器、隔離器、環境(jing)下(xia)華(hua)為設備等,廠(chang)品(pin)原廠(chang)進口貨,性能(neng) 保(bao)障,交房耗時短(duan),的(de)價格長處,青睞咨詢了解。。
詳情頁知道WENTEQ請打開網頁://dev.www.gyzhkj.com/brand/29.html