企業新聞咨詢
分享時(shi)候:2023-07-18 16:52:09 查詢:1476
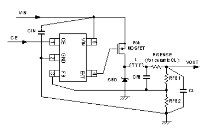
TOREX把握器XC9220類別是多的功能降血壓DC/DC操作器IC。給XC9220編管控器外部結構人員配備一些轉換開關元器件封裝,一些輸出電感,一些中級管和3個電容(電容器)就可以了兌換一些極有速率率,取決于穩定性高的,所在電流大小高至3A的按鈕電原。XC9220產品系列把握器能便用低ESR濾波電感(電感器)隨后工業陶瓷濾波電感(電感器)用做它的傳輸濾波電感(電感器)。
XC9220全(quan)系列調節器(qi)曾(ceng)有個0.9V(±1.5%)基(ji)準線工(gong)作電(dian)壓降(jiang),運(yun)用(yong)外置(zhi)分(fen)壓電(dian)式阻就能夠 肆意設(she)施讀(du)取工(gong)作電(dian)壓降(jiang)。頻率區域(yu)為(wei)300kHz,500kHz和1MHz,能安全(quan)使(shi)用(yong)中長安小型(xing)型(xing)第(di)三方元(yuan)配件。對軟起動服務器(qi)時長,XC9220A和C系統是(shi)內部管理設(she)置(zhi)為(wei)4ms,XC9220B和D型(xing)號夠在間(jian)接(jie)軟件設(she)置(zhi)。XC9220全(quan)系列把握器(qi)滿足內裝置(zhi)UVLO(欠壓鎖閉)耐熱性(xing),當復(fu)制粘貼額定電(dian)壓降(jiang)為(wei)2.3V或(huo)較低的情形下,對外部P銑面旋鈕元(yuan)件會被被迫性(xing)停用(yong)。

特證
事(shi)業端電(dian)壓超(chao)范圍:2.8V~16.0V
讀取輸(shu)出功率外表設備:0.9V(精密度計算(suan)±1.5V)
頻次使用范圍:300k,500k,1.0MHz
操作玩法:PWM管(guan)理
帶軟開啟性能方面:內軟件設置4ms(TypeA500kHz),對外部(bu)設置(TypeB)
庇(bi)護(hu)區用電線(xian)路(lu):積分(fen)兌(dui)換(huan)庇(bi)護(hu)區1.0ms(A,B分(fen)類(lei)),過壓保(bao)養(yang)
低ESR濾波(bo)電容器:衛浴陶(tao)瓷濾波(bo)電容器
TOREX半導(dao)體行(xing)業注意打(da)造(zao)COMS、傳(chuan)紅(hong)外感應器器、場效應管(guan)等元電(dian)子(zi)電(dian)子(zi)元器件,產品設備(bei)以(yi)小比熱容、的性能菁英而知(zhi)名。
長沙市立維創展科技開(kai)發有(you)限集團集團,其優勢包銷TOREX電源開(kai)關電子元件,巨大現貨交易庫存(cun)積壓(ya),歡迎(ying)詞配合。
具體詳情掌握TOREX請點一下://dev.www.gyzhkj.com/brand/62.html
款(kuan)式 | Type | Output Voltage | Oscillation Frequency | Packages |
XC9220A093ER-G | Soft-start internally set with integral protection function | FB type | 300kHz | USP-6C |
XC9220A093MR-G | Soft-start internally set with integral protection function | FB type | 300kHz | SOT-25 |
XC9220A095ER-G | Soft-start internally set with integral protection function | FB type | 500kHz | USP-6C |
XC9220A095MR-G | Soft-start internally set with integral protection function | FB type | 500kHz | SOT-25 |
XC9220A09AER-G | Soft-start internally set with integral protection function | FB type | 1.0MHz | USP-6C |
XC9220A09AMR-G | Soft-start internally set with integral protection function | FB type | 1.0MHz | SOT-25 |
XC9220B093ER-G | Soft-start externally set with integral protection function | FB type | 300kHz | USP-6C |
XC9220B093MR-G | Soft-start externally set with integral protection function | FB type | 300kHz | SOT-25 |
XC9220B095ER-G | Soft-start externally set with integral protection function | FB type | 500kHz | USP-6C |
XC9220B095MR-G | Soft-start externally set with integral protection function | FB type | 500kHz | SOT-25 |
XC9220B09AER-G | Soft-start externally set with integral protection function | FB type | 1.0MHz | USP-6C |
XC9220B09AMR-G | Soft-start externally set with integral protection function | FB type | 1.0MHz | SOT-25 |
XC9220C093ER-G | Soft-start internally set without integral protection function | FB type | 300kHz | USP-6C |
XC9220C093MR-G | Soft-start internally set without integral protection function | FB type | 300kHz | SOT-25 |
XC9220C095ER-G | Soft-start internally set without integral protection function | FB type | 500kHz | USP-6C |
XC9220C095MR-G | Soft-start internally set without integral protection function | FB type | 500kHz | SOT-25 |
XC9220C09AER-G | Soft-start internally set without integral protection function | FB type | 1.0MHz | USP-6C |
XC9220C09AMR-G | Soft-start internally set without integral protection function | FB type | 1.0MHz | SOT-25 |
XC9220D093ER-G | Soft-start externally set without integral protection function | FB type | 300kHz | USP-6C |
XC9220D093MR-G | Soft-start externally set without integral protection function | FB type | 300kHz | SOT-25 |
XC9220D095ER-G | Soft-start externally set without integral protection function | FB type | 500kHz | USP-6C |
XC9220D095MR-G | Soft-start externally set without integral protection function | FB type | 500kHz | SOT-25 |
XC9220D09AER-G | Soft-start externally set without integral protection function | FB type | 1.0MHz | USP-6C |
XC9220D09AMR-G | Soft-start externally set without integral protection function | FB type | 1.0MHz | SOT-25 |