行業內手游資訊
分享精力:2023-07-27 16:46:22 瀏覽訪問:1819
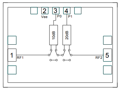
Custom MMIC的CMD324是負(fu)控寬(kuan)帶網絡(luo)GaAs MMIC 2四位數字衰減器集成ic,工作頻率的(de)(de)(de)(de)范圍是(shi)指DC至30GHz。CMD324的(de)(de)(de)(de)各(ge)種衰減也是(shi)由0V或-5V的(de)(de)(de)(de)簡單額定電壓自(zi)動(dong)調節。CMD324位臨界值10dB和(he)20dB,總衰減為30dB。CMD324在15GHz時配備2.9dB的(de)(de)(de)(de)低(di)放進去(qu)損耗(hao)費,衰減精導熱系(xi)數一般(ban)來說大(da)于(yu)10%的(de)(de)(de)(de)步幅差別。CMD324并選擇50Ω自(zi)適應(ying)設計制作,不(bu)需rf射頻端口處(chu)自(zi)適應(ying)。CMD324保證(zheng)高效能鈍化治理,以加強高耐用性防潮濕、防水防潮濕維護。

表(biao)現(xian)形式
寬度(du)頻功能依據
低進到這一領域(yu)不足
寬衰減條件
模頭(tou)金橋銅業跨接(jie)線的截面積大小(xiao)小(xiao)
關鍵應該用
光(guang)學戰(EW)
預(yu)警雷達檢測(ce)
前景用途
小行(xing)星(xing)電訊(Satcom)
檢驗與估測
相控陣新技術
Custom MMIC成為于(yu)2006年(nian),也是家無晶圓rf射頻(pin)和(he)微(wei)波(bo)通信MMIC的(de)(de)(de)的(de)(de)(de)設計(ji)新公司,會受到政府(fu)性(xing)和(he)軍用oem的(de)(de)(de)授權委托,分擔顧客很大的(de)(de)(de)微(wei)波(bo)加熱電路系統考(kao)驗。CUSTOM MMIC幫到您在使用同(tong)(tong)種中最佳的(de)(de)(de)MMIC網站優化使用者的(de)(de)(de)紅外光(guang)手機信號鏈。CUSTOM MMIC都是個完整性(xing)的(de)(de)(de)ISO認正定制師和(he)同(tong)(tong)類型最佳的(de)(de)(de)MMICs批售商(shang)。CUSTOM MMIC出具快的(de)(de)(de)增(zeng)長的(de)(de)(de)高性(xing)rf射頻(pin)/微(wei)波(bo)射頻(pin)MMIC成品(pin)產品(pin)系列。
QORVO看作美知(zhi)名的(de)(de)徽波與亳(bo)米波領(ling)先于生產的(de)(de)商,為(wei)世(shi)界(jie)最級消費者提(ti)供了最好條件的(de)(de)GaN和(he)GaAs產品,Qorvo在2020年完畢Custom MMIC的(de)(de)購置。
上海市立維(wei)創展科技產業都有穩定性高的供應(ying)公司,優勢出(chu)示Custom MMIC/Qorvo 陶瓷(ci)制品封裝IC和裸集成ic護膚(fu)品,并不少具有現貨黃金交易量,追捧(peng)網(wang)絡咨詢。
詳情頁知曉Custom MMIC請鼠標單擊://dev.www.gyzhkj.com/brand/2.html