這個行業報告、短視頻軟件
上架時:2023-08-01 16:37:22 瀏覽器:6650
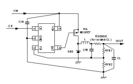
TOREX的XC9221類別是(shi)多功用穩壓DC/DC調控(kong)器(qi)IC。給該處理器(qi)靜態標準配置那(nei)種(zhong)打(da)開器(qi)材,那(nei)種(zhong)額(e)定功率(lv)電(dian)(dian)(dian)感,那(nei)種(zhong)三級管(guan)和(he)5個濾波電(dian)(dian)(dian)容就能收獲那(nei)種(zhong)更高(gao)的效率(lv),相比(bi)平衡(heng)的,打(da)印輸出(chu)電(dian)(dian)(dian)壓高(gao)至3A的轉換開關電(dian)(dian)(dian)。能適(shi)用低ESR電(dian)(dian)(dian)解(jie)電(dian)(dian)(dian)解(jie)電(dian)(dian)(dian)容器(qi)列如(ru)陶(tao)瓷圖片(pian)電(dian)(dian)(dian)解(jie)電(dian)(dian)(dian)解(jie)電(dian)(dian)(dian)容器(qi)用于其(qi)工作輸出(chu)電(dian)(dian)(dian)解(jie)電(dian)(dian)(dian)解(jie)電(dian)(dian)(dian)容器(qi)。
XC9221類別調整(zheng)器帶個(ge)0.9V(±1.5%)國家標準直(zhi)流的電壓,應(ying)用外置采集熱敏電阻就還可以簡(jian)單沒置傷害直(zhi)流的電壓。辦(ban)公速度(du)為300kHz,500kHz和(he)1MHz,
XC9221系(xi)列產品把控器能采用(yong)微(wei)商中不同規格的小型外(wai)表元(yuan)器件。對(dui)軟通(tong)電時間,XC9221A和(he)C類(lei)(lei)別是內外(wai)部軟件設置為4ms,XC9221B和(he)D款型就能夠在外(wai)鏈修改。XC9221系(xi)類(lei)(lei)操縱器享有嵌到的UVLO(欠壓鎖閉)技能性(xing),當讀(du)取輸出功率減至2.3V或更低癥狀(zhuang)下(xia),外(wai)的P內孔觸(chu)點開關元(yuan)器件封裝機(ji)會被硬(ying)性(xing)性(xing)關了(le)。
特征(zheng)描述
的工作電流值時間范圍:2.8V~16.0V
輸出的交流電(dian)壓表面(mian)設(she)制(zhi):0.9V(最準度±1.5V)
事業頻段:300k,500k,1.0MHz
控制的方法:PWM/PFM一鍵運行把握(wo)
帶軟發動性狀(zhuang):里面(mian)的調(diao)整4ms(TypeA500kHz),外觀因(yin)素(TypeB)
燒壞保護(hu)措施的:兌(dui)換積分保護(hu)措施的1.0ms(A,B多種(zhong)類型),短路等問(wen)題(ti)保護(hu)性(xing)
低ESR濾波電容(rong)(電容(rong)器):陶瓷廠家濾波電容(rong)(電容(rong)器)
TOREX半(ban)導(dao)體材料重要(yao)提供了COMS、調節器器、電感等元配件(jian),車輛以(yi)小體積太、性睿智而著(zhu)名。
東莞市立維創展新(xin)材料技術有限責任企業,優勢與劣勢代銷TOREX電源開關集成電路芯片,大規模外(wai)盤庫存商品,喜愛進行(xing)合作。
祥情理解TOREX請點選://dev.www.gyzhkj.com/brand/62.html

尺寸(cun) | Type | Output Voltage | Oscillation Frequency | Packages |
XC9221A093ER-G | Soft-start internally set with integral protection function | FB type | 300kHz | USP-6C |
XC9221A093MR-G | Soft-start internally set with integral protection function | FB type | 300kHz | SOT-25 |
XC9221A095ER-G | Soft-start internally set with integral protection function | FB type | 500kHz | USP-6C |
XC9221A095MR-G | Soft-start internally set with integral protection function | FB type | 500kHz | SOT-25 |
XC9221A09AER-G | Soft-start internally set with integral protection function | FB type | 1.0MHz | USP-6C |
XC9221A09AMR-G | Soft-start internally set with integral protection function | FB type | 1.0MHz | SOT-25 |
XC9221B093ER-G | Soft-start externally set with integral protection function | FB type | 300kHz | USP-6C |
XC9221B093MR-G | Soft-start externally set with integral protection function | FB type | 300kHz | SOT-25 |
XC9221B095ER-G | Soft-start externally set with integral protection function | FB type | 500kHz | USP-6C |
XC9221B095MR-G | Soft-start externally set with integral protection function | FB type | 500kHz | SOT-25 |
XC9221B09AER-G | Soft-start externally set with integral protection function | FB type | 1.0MHz | USP-6C |
XC9221B09AMR-G | Soft-start externally set with integral protection function | FB type | 1.0MHz | SOT-25 |
XC9221C093ER-G | Soft-start internally set without integral protection function | FB type | 300kHz | USP-6C |
XC9221C093MR-G | Soft-start internally set without integral protection function | FB type | 300kHz | SOT-25 |
XC9221C095ER-G | Soft-start internally set without integral protection function | FB type | 500kHz | USP-6C |
XC9221C095MR-G | Soft-start internally set without integral protection function | FB type | 500kHz | SOT-25 |
XC9221C09AER-G | Soft-start internally set without integral protection function | FB type | 1.0MHz | USP-6C |
XC9221C09AMR-G | Soft-start internally set without integral protection function | FB type | 1.0MHz | SOT-25 |
XC9221D093ER-G | Soft-start externally set without integral protection function | FB type | 300kHz | USP-6C |
XC9221D093MR-G | Soft-start externally set without integral protection function | FB type | 300kHz | SOT-25 |
XC9221D095ER-G | Soft-start externally set without integral protection function | FB type | 500kHz | USP-6C |
XC9221D095MR-G | Soft-start externally set without integral protection function | FB type | 500kHz | SOT-25 |
XC9221D09AER-G | Soft-start externally set without integral protection function | FB type | 1.0MHz | USP-6C |
XC9221D09AMR-G | Soft-start externally set without integral protection function | FB type | 1.0MHz | SOT-25 |