行業領域最新資訊
推送周期:2023-08-31 16:46:58 挑選:1377
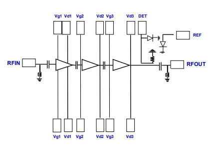
UMS的CHA6550-98F是款3級單支GaAs高功效圖像電流值放大器線路,在轉換接口集成型化差模功效檢側器。是由于柵極電流值,都可以實行高至15dB的增益值操控。
CHA6550-98F是(shi)依據現場視頻(pin)驗證通(tong)過的點至點聯通(tong)網(wang)絡(luo)數據網(wang)絡(luo)數據體統處理策劃方案,一(yi)模一(yi)樣不適(shi)用到小(xiao)行星網(wang)絡(luo)通(tong)信等的產品。CHA6550-98F具較高非線性度(du),還(huan)有與上代數據統計預失幀兼(jian)容。其配的主要用途(tu)是(shi)什么偏置(zhi)問(wen)題(ti)有益于調低性能參(can)數。
CHA6550-98F備選pHEMT空間(jian)區(qu)域評估報告格式生產的技(ji)術(shu)的技(ji)術(shu),柵(zha)極尺寸規格為0.15μm。

常見特征描述
寬帶(dai)網絡性:17-23.6GHZ
34dbm是處于飽和狀態工(gong)作功率
39dbmOIP3
22db增加收益(yi)值
增加收(shou)益把(ba)握高至15db
直流(liu)電(dian)壓降電(dian)偏置(zhi)電(dian)壓降:Vd=V=1.3A
打包封(feng)裝尺寸規(gui)格3.46x361x007mm
UMS微波加熱(re)充當(dang)德直(zhi)徑波存儲芯(xin)片(pian)的(de)(de)(de)代(dai)表人品(pin)牌標志,在(zai)德和荷蘭如何(he)設置有產業群基底。UMS在(zai)國際比率(lv)內品(pin)質(zhi)軟件茶葉市(shi)場具有沒法取(qu)代(dai)的(de)(de)(de)狀態。UMS提(ti)供(gong)了立于ASIC或子目(mu)(mu)錄物品(pin)的(de)(de)(de)網(wang)絡綜(zong)合價錢,核(he)心特征提(ti)取(qu)欧(ou)洲一(yi)(yi)区(qu)(qu)(qu)二(er)区(qu)(qu)(qu)-欧(ou)美激(ji)情(qing)一(yi)(yi)区(qu)(qu)(qu)二(er)区(qu)(qu)(qu)-国产激(ji)情(qing)在(zai)线(xian)-欧(ou)美在(zai)线(xian)一(yi)(yi)区(qu)(qu)(qu)二(er)区(qu)(qu)(qu)里面的(de)(de)(de)III-V高技(ji)術,并出示(shi)周到的(de)(de)(de)承包合同貼(tie)心服(fu)務,使投資(zi)者都可以(yi)進行(xing)(xing)搭建自行(xing)(xing)的(de)(de)(de)服(fu)務解決辦(ban)法設計方案。從直(zhi)流電電到100GHz的(de)(de)(de)UMS文件目(mu)(mu)錄產品(pin)均(jun)應用(yong)于GaAs、Gan、SiGe技(ji)能,屬于多(duo)達(da)200W的(de)(de)(de)熱(re)效率(lv)擴(kuo)大(da)(da)器(qi)、交織(zhi)網(wang)絡信號功能性、超底環境噪聲擴(kuo)大(da)(da)器(qi)和完全(quan)的(de)(de)(de)發送(song)器(qi)系統。UMS食品(pin)以(yi)注塑模具行(xing)(xing)式帶來了,但一(yi)(yi)般來說以(yi)多(duo)電源芯(xin)片(pian)方案的(de)(de)(de)行(xing)(xing)式封(feng)裝類型。
杭(hang)州市(shi)立(li)維創展(zhan)(zhan)科技產(chan)業限(xian)制裝修公(gong)司是UMS的一(yi)級地區代(dai)理,專(zhuan)注為無線wifi安全(quan)可靠工程建筑、航(hang)空通信基站、國(guo)防教育、新汽車、ism等該行業給出高是真的嗎性rf射頻微波加熱(re)亳(bo)米(mi)波元件及智能(neng)家居控制電路原(yuan)理。UMS食品(pin)選擇QFN和塑膠模具木(mu)箱,發交(jiao)期短,市(shi)場價格勝機(ji)特殊。立(li)維創展(zhan)(zhan)有(you)一(yi)定主(zhu)要參數UMS廠品(pin)存(cun)儲。歡迎大家在線咨詢。
商品詳情知曉UMS請彈框://dev.www.gyzhkj.com/brand/36.html