職業資訊新聞
上傳時間:2023-09-13 16:43:14 網頁瀏(liu)覽:859
低躁聲放縮器是種個性化的智能元件放縮器,首要一般用于通迅系統的化里將推送自同軸電纜的工作功率放縮,不益于后級的電力設施處理。伴隨從何而來于同軸電纜的信息差不多都較為力量薄弱,低躁聲放縮器普通的情況下都屬于較為相近同軸電纜的位子,以削減信息可以依照數據統計線的耗損率。這個的有源同軸電纜的調制首要應一般用于衛星信號導航儀系統的化(GPS)等微波射頻控制系統上。
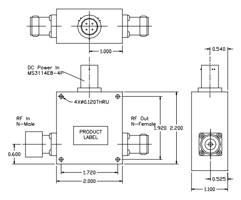
WENTEQ ALN0138-40-3208NW嵌入式低噪聲rf射頻拖動器是款根據五級GaAsp HEMT的低噪音放縮器包塊,都具有包塊化帶通濾波器,聲音頻率區域在1.10-1.65MHz。ALN0138-40-3208NW變成器更具35dB的小移動信號收獲值,通頻率段中具備著0.8dB的噪聲源彈性系數。

共同點:
低的噪音和高增益值
低VSWR,無必備條件不(bu)穩性
體行小,的成本費低
N個(ge)陽型導入(ru),N個(ge)假陽性內容輸(shu)出
最(zui)主(zhu)要適用(yong)整流穩壓電式源鍵入的(de)MS3114E8-4P聯系器
單(dan)直(zhi)流電(dian)(dian)(dian)穩電(dian)(dian)(dian)容式(shi)源,內置電(dian)(dian)(dian)阻降調(diao)控器(qi),接納寬電(dian)(dian)(dian)阻降鍵入比率
運行室溫(wen)-40~+85°C,儲(chu)存平均溫(wen)度(du)-55~+125°C
耐酸性密(mi)封性產(chan)品包裝(zhuang),重要于(yu)室內(nei)運行,外層漆成白色
WENTEQ帶來各樣高(gao)的(de)(de)質量的(de)(de)頻(pin)射和(he)微波(bo)通信物品,交房(fang)的(de)(de)時間太快,多少錢有相互影響(xiang)力(li)。物品有同軸接觸(chu)器(qi)(qi)(qi)(qi)(qi)和(he)兼容(rong)性測(ce)試器(qi)(qi)(qi)(qi)(qi)、反復的(de)(de)器(qi)(qi)(qi)(qi)(qi)、底部隔離器(qi)(qi)(qi)(qi)(qi)、低噪音分貝圖像(xiang)工作(zuo)功(gong)率放小(xiao)(xiao)器(qi)(qi)(qi)(qi)(qi)、工作(zuo)功(gong)率圖像(xiang)工作(zuo)功(gong)率放小(xiao)(xiao)器(qi)(qi)(qi)(qi)(qi)、光纖(xian)寬(kuan)帶圖像(xiang)工作(zuo)功(gong)率放小(xiao)(xiao)器(qi)(qi)(qi)(qi)(qi)、接線端子、波(bo)導(dao)開(kai)關元件等。
長(chang)沙市立(li)維創展科技創新是WENTEQ的經銷處商,關鍵提拱WENTEQ新類(lei)產(chan)品包涵方形器、分(fen)隔器、電機負(fu)載(zai)網絡(luo)終端等(deng),新類(lei)產(chan)品原(yuan)放進(jin)口的進(jin)口的,效果 保障,發貨期限短,房價(jia)優越性,歡迎大(da)家顧問。
詳情頁要了解WENTEQ請點擊進入://dev.www.gyzhkj.com/brand/29.html