服務業快訊
頒布時(shi)期(qi):2023-10-10 17:07:35 瀏覽(lan)網頁:895
低噪聲放大器是種低噪音、高增益的功率放大器,主要用于放大高頻率系統中射頻信號。工作原理是在傳輸數據之前,根據LNA來擴大數據移動信號并變少解決,加強抑制機系統的噪聲污染標準值,才能加強發送到的數據移動信號的精準度和靠譜靠譜性。
ALN0138-40-5307NW微波rf射頻低燥音放縮器在有諸多移動網絡電訊技術和微波rf射頻使用教育領域中起著至關最重要的的反應,帶來了電率放縮和燥音極小值化,才能提升 吸收特性、開拓電訊技術範圍及帶來了最重要的的資料網絡電訊技術。

本質特征:
低噪音分貝和高收獲
低(di)VSWR,無必要(yao)條件(jian)安(an)穩性
身材小,資金(jin)保(bao)險費(fei)用低
N個陽型進入(ru),N個弱陽輸入(ru)
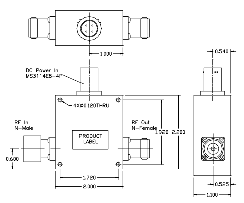
應用領(ling)域于直流外接電源(yuan)穩壓電式(shi)源(yuan)插(cha)入的MS3114E8-4P接觸器
單電流(liu)穩(wen)壓(ya)電式源,嵌(qian)入交流(liu)的電壓(ya)調試器,限(xian)度寬交流(liu)的電壓(ya)搜(sou)索范疇
的(de)操作(zuo)溫度表(biao)0~+50°C,保(bao)管工作(zuo)溫度-55~+125°C
耐腐蝕(shi)性封(feng)閉封(feng)口(kou),采用于(yu)野外把控,表面漆成(cheng)黑灰色
WENTEQ打造多(duo)種多(duo)樣(yang)高好品質的頻射和紅外光護膚(fu)品,交期用時(shi)短,價值有競爭激烈力。護膚(fu)品具有同(tong)軸銜接器和適應器、再循環器、屏蔽器、低低頻噪音(yin)放小(xiao)器、瓦數放小(xiao)器、光纖寬帶放小(xiao)器、接線端子、波導pcb板(ban)等。
杭州市立維創(chuang)展(zhan)科技欧(ou)洲(zhou)一区(qu)(qu)(qu)二区(qu)(qu)(qu)-欧(ou)美(mei)激情一区(qu)(qu)(qu)二区(qu)(qu)(qu)-国产激情在线-欧(ou)美(mei)在线一区(qu)(qu)(qu)二区(qu)(qu)(qu)是WENTEQ的經銷處(chu)商,首(shou)要作為WENTEQ護(hu)(hu)膚(fu)品還有馬(ma)蹄形器(qi)、隔離防曬器(qi)、負荷(he)POS機等(deng),護(hu)(hu)膚(fu)品正品出(chu)口,質提高,提貨(huo)時期(qi)短,的價格(ge)勝(sheng)機,熱(re)情接(jie)待(dai)咨詢中心。
商品詳情頁理解WENTEQ請單擊://dev.www.gyzhkj.com/brand/29.html