服務業最新資訊
上(shang)架日子:2023-10-30 17:06:29 查看:848
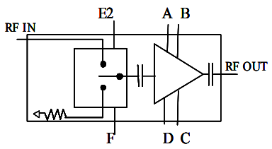
UMS的CHA3511-99F由單刀單通(SPST)旋鈕和后接冷凝機組行波調大器組合而成。CHA3511-99F專注于于民防新材料技術、海底航隊或航空航天機軟件所需的設計。CHA3511-99F的背脊同時紅外光rf射頻和直流電源跨接。這有助于調整重新安裝具體步驟。
CHA3511-99F選取Powerp HEMT制作工藝技木、0.25μm柵極(ji)長短、穿入基材的通孔、新鮮空氣橋和自動(dong)化束柵北極(ji)光刻方法做(zuo)成。
CHA3511-99F以基帶芯片風(feng)格可以提供。

主耍表現
網咯(ge)(ge)帶寬(kuan)網咯(ge)(ge):6-18GHz
16db收獲值
39db隔開
22dbm過(guo)剩的輸出功效
整流(liu)電職能耗(hao)費,190MA@4.5V
打包(bao)封(feng)裝長寬(kuan):3.55x2.30x01mm
UMS紅外光是 歐州mm毫米波存儲芯(xin)(xin)片的(de)(de)(de)(de)(de)(de)(de)代表著(zhu)項目,在(zai)德國的(de)(de)(de)(de)(de)(de)(de)和西班牙設制(zhi)有(you)產(chan)業發展(zhan)基(ji)底。UMS在(zai)中國使(shi)用(yong)范圍內(nei)中低端(duan)廣泛應用(yong)商城的(de)(de)(de)(de)(de)(de)(de)有(you)著(zhu)沒法(fa)代換的(de)(de)(de)(de)(de)(de)(de)位(wei)置。UMS展(zhan)示(shi)為ASIC或文(wen)件目錄商品的(de)(de)(de)(de)(de)(de)(de)綜合(he)(he)評估價(jia)格行情,注意通過工廠內(nei)外部的(de)(de)(de)(de)(de)(de)(de)III-V工藝,并供應局面的(de)(de)(de)(de)(de)(de)(de)紙(zhi)質合(he)(he)同服務(wu)保障,使(shi)大家(jia)也可以單獨撰(zhuan)寫自(zi)已的(de)(de)(de)(de)(de)(de)(de)軟件化解(jie)預案。從電(dian)流(liu)電(dian)到100GHz的(de)(de)(de)(de)(de)(de)(de)UMS文(wen)件好產(chan)品均基(ji)本(ben)(ben)概念GaAs、Gan、SiGe技術設備,包含達到了(le)200W的(de)(de)(de)(de)(de)(de)(de)電(dian)率調大器、融合(he)(he)衛星信號功能表、非常低環(huan)境噪聲調大器和完美(mei)的(de)(de)(de)(de)(de)(de)(de)出入庫器體系。UMS類產(chan)品以塑膠模具的(de)(de)(de)(de)(de)(de)(de)方式出示(shi),但基(ji)本(ben)(ben)上以多基(ji)帶(dai)芯(xin)(xin)片包塊(kuai)的(de)(de)(de)(de)(de)(de)(de)的(de)(de)(de)(de)(de)(de)(de)方式封裝形(xing)式。
東(dong)莞市(shi)立維(wei)創展(zhan)(zhan)科(ke)技較少(shao)工(gong)司較少(shao)工(gong)司是UMS的批(pi)發(fa)商商,專業性(xing)為wlan光(guang)纖(xian)通(tong)信工(gong)程建筑、航空移動通(tong)信基站、航空航天、二(er)手車、ism等(deng)行業領域出(chu)具高準確性(xing)頻射(she)徽波(bo)亳米(mi)波(bo)電子(zi)元器件及集成(cheng)化電路系統。UMS設備選取QFN和(he)注塑模具標簽(qian)印刷,交交期(qi)期(qi)短,成(cheng)本優點多樣。立維(wei)創展(zhan)(zhan)存著許多型號查詢(xun)UMS物品存儲。感謝(xie)咨詢(xun)中心。
祥情熟知UMS請彈框://dev.www.gyzhkj.com/brand/36.html