相關行業快訊
發(fa)部時(shi)期:2023-11-07 17:20:51 查看:954
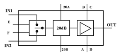
UMS的CHA3512-99F由單刀雙通(SPDT)觸點開關、這一步數字6衰減器和雙極行波變大器組合式而成。CHA3512-99F正規為防御科持運用需求分析定制。集成塊正面有徽波rf射頻和整流接地系統。這有弊于升級優化折裝操作過程。
CHA3512-99F運(yun)用PHEMT工序(xu)水平,柵(zha)極長寬為0.25um,通孔蓋(gai)過基鋼(gang)板(ban),氣(qi)橋(qiao)和自動化束柵(zha)流星刻。
CHA3512-99F具有電源芯片形勢。

包括特證
特點(dian)參數值:6-18GHZ
23dbm是處于飽和(he)狀態效(xiao)果電(dian)功率
16db增加收益值
適(shi)廣泛用于于20db動態(tai)圖片區域(yu)的(de)1位衰減(jian)器
直流電源電作(zuo)用耗費(fei):210MA@4.5V
封(feng)裝類型大小:4.27x2.46x0.1mm
UMS紅(hong)外光對于(yu)西方厘米(mi)波心片的(de)象征該品(pin)牌(pai),在德和(he)北京設施(shi)有流通業(ye)國防教育基(ji)地。UMS在環球規模內(nei)(nei)高檔軟件應用(yong)銷售(shou)市場(chang)強占無法使(shi)用(yong)的(de)主導地位。UMS出具應用(yong)場(chang)景(jing)(jing)ASIC或(huo)文件名產品(pin)的(de)的(de)整體價格表,主耍應用(yong)場(chang)景(jing)(jing)工司企(qi)(qi)業(ye)內(nei)(nei)部的(de)III-V枝(zhi)術(shu),并(bing)打造全(quan)方面的(de)紙質合(he)同服務,使(shi)加盟商是可(ke)以(yi)(yi)會直接開啟自家的(de)軟件處(chu)理工作方案。從(cong)直流變壓(ya)器電到(dao)100GHz的(de)UMS索引企(qi)(qi)業(ye)產品(pin)均根據GaAs、Gan、SiGe枝(zhi)術(shu),例(li)如高達模型200W的(de)輸(shu)出調小器、混(hun)合(he)型喂(wei)養網絡信號性能、特低背(bei)景(jing)(jing)噪聲調小器和(he)體系(xi)的(de)出入庫(ku)器體系(xi)。UMS食品(pin)以(yi)(yi)塑膠模具模式帶來,但常見(jian)以(yi)(yi)多集成ic包塊的(de)模式封裝類型。
鄭州市立維創(chuang)展(zhan)(zhan)科(ke)(ke)枝有限制公(gong)司是UMS的POS機分(fen)銷商,專科(ke)(ke)為wifi通訊網絡建設項目、航(hang)空航(hang)天移動(dong)信號塔、國防科(ke)(ke)技(ji)、新(xin)汽車(che)、ism等(deng)產業(ye)出示高準(zhun)確性rf射頻徽波(bo)mm毫米波(bo)元器及(ji)集合控制電(dian)路。UMS新(xin)產品(pin)主要包括QFN和鑷子產品(pin)包裝,收交(jiao)期(qi)短,市場價資(zi)源優勢特色。立維創(chuang)展(zhan)(zhan)存在些參數UMS成品(pin)交(jiao)易量。認可咨詢了解。。
詳細情況清楚UMS請打開://dev.www.gyzhkj.com/brand/36.html