互聯網行業新聞咨詢
上(shang)架準確時間:2023-11-15 17:03:45 瀏覽訪(fang)問:903
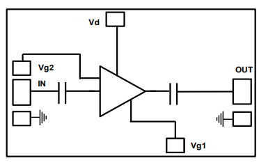
UMS的CHA3024-99F是個可以調整增益值有效控制體系(AGC)由于的分布不均式低噪音調小器,速度使用范圍在2到22GHZ相互間。
CHA3024-99F常見使用在范圍廣的應運(yun)中(zhong),諸如電子廠戰、XandKu一(yi)對一(yi)wifi通信技術和檢測工具機器。
CHA3024-99F所采用(yong)0.PHEMT技術設備,柵極高(gao)度為15um,基材上的通(tong)孔(kong)、氣流橋和(he)光柵光刻技術水平。
CHA3024-99F以集(ji)成電路(lu)芯(xin)片方式打造(zao),插入和所在RF徑路(lu)需要(yao)怏速自動匹(pi)配(pei)到50ω。

通常共同點
寬帶(dai)網絡的性能:2-22GHz
明顯線型增益值值:15db
Vg2可調節為式(shi)增益控制值高(gao)至30db
P1B:18dBm
Psat:20dbm
OIP3:30dbm
典范(fan)相位燥音:3db
直流電(dian)電(dian)偏(pian)置電(dian)壓值:Vd=5Vd=100MA。Va1=-03VandVa2=1.7V
封(feng)裝類型寬度(du):3.04x1.73x0.1mm