的行業最新資訊
正式發布準(zhun)確時(shi)間:2023-11-20 16:57:14 閱覽(lan):781
非常低噪音分貝縮放器有的是種十分的最大額定功率縮放器,其共同點是將無線4g信號最大額定功率縮放,將噪音分貝攪擾降至低點。非常低噪音分貝縮放器通常適用于想要高控制精度無線4g信號縮放的特定的情況下,如醫療服務分析醫療儀器、疲勞試驗分析醫療儀器、網絡通訊管理體制等。
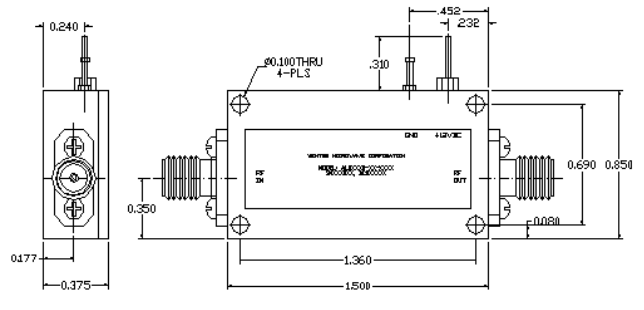
ALN0260-12-3308超(chao)高嗓聲變(bian)大(da)器只需要一(yi)正DC穩壓(ya)電(dian)(dian)式(shi)源。其植入式(shi)DC交流(liu)穩壓(ya)器和逆向交流(liu)電(dian)(dian)壓(ya)降化學性質(zhi)交流(liu)電(dian)(dian)壓(ya)降維護支撐ALN0260-12-3308超(chao)底嘈音變(bian)小器可在幾種DC調養電(dian)(dian)輸出功率下活動,全部會干(gan)擾紅外光微波射頻特點技術(shu)參數。

癥狀:
低背景噪聲、高(gao)增加收益(yi)
低VSWR,無水(shui)平(ping)安全性
身型小,直接費費低
SMA母進行聯接(jie)器I/O
操(cao)作使用高溫(wen)-40~+85°C,處(chu)理狀(zhuang)態-50~+125°C