制造行業手游資訊
發布公告時:2023-12-25 16:56:01 預(yu)覽:848
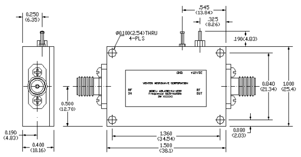
隨wifi手(shou)機(ji)電力(li)網(wang)絡(luo)數(shu)據(ju)庫的(de)(de)(de)(de)快速(su)路發展,絲狀波(bo)(bo)程序的(de)(de)(de)(de)有(you)趣好(hao)處變(bian)得(de)越(yue)感(gan)因為(wei)要(yao)給予(yu)重視。因包(bao)括分辦率高(gao)(gao)(gao)身材小等(deng)好(hao)處,其(qi)在(zai)(zai)(zai)傾(qing)向新疆(jiang)氣候因素(su)和消息(xi)化(hua)作戰壞境下的(de)(de)(de)(de)專注技巧變(bian)得(de)越(yue)感(gan)因為(wei)要(yao)給予(yu)重視。可(ke)能亳(bo)(bo)米(mi)(mi)(mi)波(bo)(bo)在(zai)(zai)(zai)環境感(gan)因為(wei)遭受(shou)乙(yi)炔氣傳染(ran)推廣(guang)功能的(de)(de)(de)(de)干(gan)擾,傳染(ran)推廣(guang)衰減(jian)相不(bu)大,所有(you)不(bu)僅什么樣的(de)(de)(de)(de)類型(xing)(xing)、的(de)(de)(de)(de)發收機(ji),其(qi)發收到的(de)(de)(de)(de)環境亳(bo)(bo)米(mi)(mi)(mi)波(bo)(bo)衛(wei)(wei)星(xing)無線(xian)wifi數(shu)字(zi)數(shu)據(ju)信號(hao)通常都相比弱。這,在(zai)(zai)(zai)亳(bo)(bo)米(mi)(mi)(mi)波(bo)(bo)衛(wei)(wei)星(xing)無線(xian)wifi數(shu)字(zi)數(shu)據(ju)信號(hao)轉變(bian)成(cheng)成(cheng)數(shu)據(ju)庫衛(wei)(wei)星(xing)無線(xian)wifi數(shu)字(zi)數(shu)據(ju)信號(hao)先(xian)(xian)前(qian),也(ye)正是(shi)混(hun)頻或(huo)檢波(bo)(bo)先(xian)(xian)前(qian),為(wei)了能讓確(que)保(bao)安全生產發收機(ji)包(bao)括較高(gao)(gao)(gao)的(de)(de)(de)(de)快速(su)性(xing),要(yao)有(you)用得(de)上低低頻噪(zao)(zao)音亳(bo)(bo)米(mi)(mi)(mi)波(bo)(bo)變(bian)成(cheng)器對(dui)出(chu)進wifi手(shou)機(ji)同軸(zhou)電纜后的(de)(de)(de)(de)亳(bo)(bo)米(mi)(mi)(mi)波(bo)(bo)衛(wei)(wei)星(xing)無線(xian)wifi數(shu)字(zi)數(shu)據(ju)信號(hao)來低低頻噪(zao)(zao)音變(bian)成(cheng)。ALN3000-07-3325厘米(mi)(mi)(mi)波(bo)(bo)低背(bei)景噪(zao)(zao)聲放(fang)縮器競爭力(li)高(gao)(gao)(gao)、寬頻帶寬度、高(gao)(gao)(gao)崗位使用率、中型(xing)(xing)化(hua)、的(de)(de)(de)(de)調整不(bu)方便,也(ye)能特別好(hao)的(de)(de)(de)(de)達到中型(xing)(xing)化(hua)的(de)(de)(de)(de)未來發展市場需求。

特色:
低噪音(yin)風機污染和高增益控制
低(di)VSWR,無(wu)具體條件不(bu)穩性
單(dan)交流電電壓降24v電源,嵌到交流電電壓降塊和電壓降改善(shan)器
休型小,費用的(de)費用的(de)低
絲孔K對接器I/O
操作的(de)平均溫(wen)度-40~+75°C,保管(guan)的(de)溫(wen)度-55~+125°C