行業中訊息
上傳時期:2024-01-12 16:59:19 訪問(wen) :1198
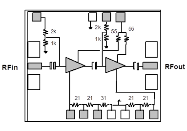
CHA2063A99F是款二級光纖寬帶單支低燥聲放縮器。
CHA2063A99F以(yi)單片(pian)機芯片(pian)類型(xing)、提供。供電電源電路(lu)用(yong)PHEMT制造廠(chang)科(ke)技,0.25um柵(zha)極長寬高,橫穿柔性板的(de)通(tong)孔,空氣中橋和電子(zi)廠(chang)束門光刻技術應用(yong)。
CHA2063A99F有處理(li)芯(xin)片行駛。

最主要特證
寬帶網耐磨性7-13GHZ
2.0db噪(zao)音分(fen)貝(bei)指數,8-13GHZ
19db增益(yi)控制值
低直流(liu)電模(mo)塊材料耗費,40MA
18dbm三(san)階截距點
打包封裝(zhuang)長度(du):1.52x1.27x0.1mm