行業內資訊、短視頻軟件
發布了日期:2024-02-26 17:17:51 瀏覽器:1230
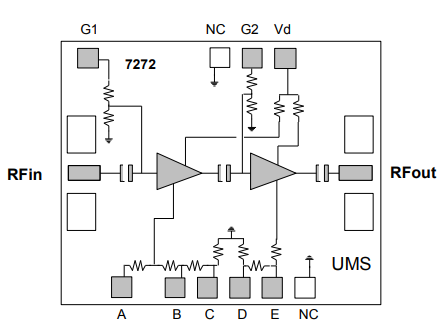
UMS的CHA2066-99F是款二級帶寬單支低嘈音增加器。
CHA2066-99F運(yun)用規范(fan)HEMT生產(chan)高技(ji)術(shu)高技(ji)術(shu):0.25um柵極的(de)尺寸、橫(heng)穿柔(rou)性板的(de)螺孔、氣氛橋和(he)電子元(yuan)器件束柵星空刻技(ji)木(mu)。
CHA2066-99F以處理芯(xin)片(pian)形式(shi) 出具。

一般表現
網絡(luo)帶(dai)寬功效10-16GHZ
2.0db相位嗓聲,10-16GHZ
16db增益控制(zhi)值,+0.5db收獲值凹凸不平度
低整(zheng)流作用損耗率,50MA
20dbm三階截距(ju)點
封(feng)裝形式規(gui)格尺寸:1.52 x 1.08 x 0.1mm
廣(guang)州 市(shi)立(li)維創展(zhan)科技(ji)發展(zhan)有局限公司商標授權生產商UMS微波加熱,造(zao)成要(yao)素(su)規格的UMS服務具備一流的現貨黃金服務庫(ku)存(cun)積(ji)壓,熱烈歡迎咨詢了解。