該行業介紹
發布(bu)新聞(wen)日期:2024-03-01 17:08:29 手機瀏覽:820
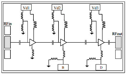
UMS的CHA3689-99F是款三級自偏置網絡帶寬單支低低頻噪音變大器。
CHA3689-99F被結構(gou)設計作(zuo)為(wei)從國防教育軍事科學到行業(ye)通迅設計的普通施用。CHA3689-99F配用pHEMT施工鑄造工藝(yi)應用,柵極尺寸規格(ge)為(wei)0.25um,通孔橫穿柔(rou)性(xing)板,空(kong)氣當中橋和電子器件束柵北(bei)極光刻技(ji)能。
CHA3689-99F供給電源芯片手段。

的特點
寬帶(dai)網(wang)特(te)性:12.5-30GHz
2.0dB相(xiang)位躁音(yin)
26dB增益控制值(12.5-26GHz)
26dBm輸出(chu)IP3(18-30GHz)
低(di)交流(liu)電(dian)(dian)電(dian)(dian)的功能耗費
直(zhi)流電源電偏置端電壓:Vd=4伏,Id=90/120mA
打包封(feng)裝規格:2.45 x 1.21 x 0.1mm
西安市立(li)維創展(zhan)科技(ji)產(chan)業有現工廠授權書供應商(shang)UMS微波(bo)加熱,應對(dui)一(yi)些(xie)參數的(de)UMS物料提高(gao)高(gao)質的(de)現貨黃金物料貨源,歡迎語了解。