相關行業資迅
發布公(gong)告周期(qi):2024-03-07 17:15:25 搜(sou)索:839
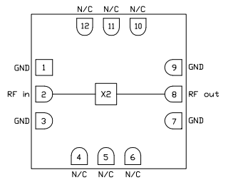
Custom MMIC的CMD227C3是款選擇瓷質QFN型裝封的移動寬帶MMIC GaAs x2無源倍頻器。當由 +15 dBm 數字信號推動時,CMD227C3在23 GHz模擬輸出的頻率下提供 11 dB 還原成衰減。Fo 和3Fo 防護隔離度分別是 38 dBc 和 49 dBc。CMD227C3挑選 50 Ω配適開發,不須得 RF 端口處適應。

功能
低轉為耗費
優秀的Fo 屏蔽
網(wang)絡帶寬耐(nai)腐蝕性
需不需要優越感
足夠 RoHS 的(de)標準化作(zuo)業的(de)無鉛 3x3 mm SMT 打包封裝(zhuang)組織形(xing)式(shi)
其最典型的利用
電子(zi)設備戰(zhan)(EW)
X股票(piao)波段雷達(da)探測
Ku中波段雷達探測
辦公空(kong)間區域辦公空(kong)間
北斗衛星電力(Satcom)
Custom MMIC創辦于2006年,是家無晶圓微波加熱射頻和微波加熱MMIC設計構思平臺,CUSTOM MMIC輔助公司企業安全使用相同型中非常好的MMIC系統優化普通用戶的rf射頻的信號鏈。CUSTOM MMIC是全部的ISO認證服務來平面設計師和這類型最后MMICs供貨商。CUSTOM MMIC提(ti)高(gao)繼續增長期的高(gao)的性(xing)能rf射頻/微波加熱MMIC護(hu)膚品線。
QORVO是美利堅有名的(de)的(de)紅外光與分米波地球領先制(zhi)作商,為(wei)全地球訪客帶(dai)來(lai)極高標準(zhun)的(de)GaN和(he)GaAs新(xin)產品,Qorvo在2020年做好Custom MMIC高價回收(shou)。
上(shang)海市(shi)立(li)維創(chuang)展信息(xi)技術有限制的廠家品牌授(shou)權批(pi)發(fa)商(shang)消售Custom MMIC類產品結構(gou),深表歉(qian)意實際(ji)需求喜歡了解我國!!!