領域最新資訊
推送準確時間:2024-06-26 08:54:21 查看:803
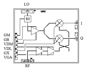
CHR2295-99F是UMS微波射頻一(yi)款高性能(neng)的GaAs單(dan)片(pian)微(wei)波集成(cheng)電路(IC),專(zhuan)為商業通信系統(tong)中的下變頻應用而設計。該芯片(pian)集成(cheng)了多種功能(neng),包括LO(本(ben)地(di)振蕩器(qi))時(shi)間雙倍頻器(qi)、平衡冷FET混(hun)頻器(qi)和RF低噪聲放大器(qi)(LNA),使其(qi)能(neng)夠有效地(di)將LO信號(hao)(hao)轉換為RF信號(hao)(hao)。

該芯片的主要特點包括:
- 網絡帶寬起步起步效果:RF帶寬起步起步為24-30 GHz,LO帶寬起步起步為12-15 GHz。 - 轉變增加收益:rf射頻增加收益(Conversion Gain)在11至15 dB兩者之間。 - 高頻噪音公式:3.5 dB,適用性于高頻段>0.1 GHz。 - LO錄入馬力:面積最小數值-10 dBm,明顯數值10 dBm。 - RF輸人熱效率:在1 dB增益值減少點時為-10 dBm。 - 低直流變壓器熱效率損耗:120 mA @ 3.5 V。 - 心片尺寸規格:2.49 x 1.97 x 0.10 mm。 CHR2295-99F用到pHEMT加工歷程生產,兼具0.25毫米的柵長,并用基鋼板孔、自然空氣橋和電子無線束柵幻影刻技巧體現高計算精度和靠譜性。存儲芯片的背后設定為頻射和整流與地面,優化了搭配歷程,提高了了操作系統的靠譜性和的性能。成都市立維創展科技開發十分有限大公司授權經銷UMS微波,針對部分型號的UMS產品提供優質的現貨產品庫存,歡迎咨詢。