餐飲行業介紹
發部耗時(shi):2024-06-28 08:59:54 查詢(xun):6082

PULSAR倍頻器FX-04-410是(shi)一款(kuan)高性(xing)能的電(dian)子設(she)備,專為需要精確頻率(lv)轉換的應用而設(she)計。以下是(shi)該產品的詳細介紹(shao):
產產品公司名稱: Pulsar倍頻器FX-04-410頻率范圍:
錄入頻點: 75-1500 MHz 輸出精度速率: 150-3000 MHz 設置工率標稱值: +10.0 dBm轉換損耗:
在F2概率下: 12.0 dB極限 在F4幀率下: 20.0 dB舉例雜散信號抑制:
F1: 20 dBc F3: 20 dBc 打包封裝方式: SMA連接器類型:
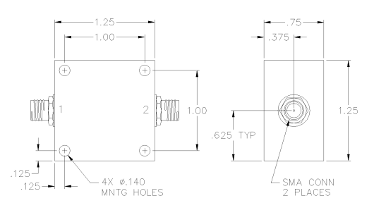
規范手機配置: SMA female 可以配置單: BNC, TNC, F, 和 N connectors 進入/所在端口設置: 輸入接口: 1 模擬輸出接口: 2 與地面方式方法: 表殼與地面 自己的外觀面積: 1.25" x 1.25" x 0.75"
雜散信號抑制性能表明,該設備能夠有效抑制不需要的頻率成分,確保輸出信號的純凈度。SMA連接器是標準配置,但也提供其他類型的連接器選項,以適應不同的應用需求。珠海市立維創展自動化授權證書代理權經銷商PULSAR微波通信設備,并展示(shi)售后維修服務保障鼓勵服務保障,歡(huan)迎語諮詢。