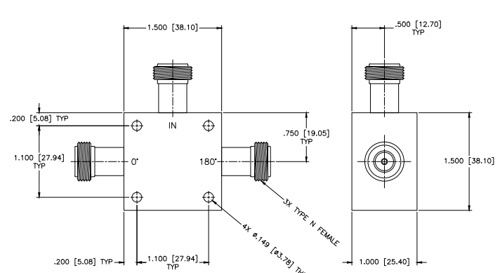
JL-17/NF 3dB混合著耦合電路器MCLI
發布公(gong)告日(ri)期:2024-07-01 09:15:04 搜索:785
在現代電子通信領域,精確的信號處理和高效的能量傳輸是至關重要的。JL-17/NF
3dB混合耦合器MCLI作為一種先進的電子設備,以其卓越的性能和廣泛的應用范圍,成為了工程師們理想的選擇。
該藕合器的方案基本特征先是展現在其開闊的頻率標準上,從0.01 MHz到60
MHz,可以說包括了很多比較普遍的安全可靠頻段,抓好了在各項用情境下的兼容性問題和比較靈抗逆性。其3dB的典型案例藕合值意思著在藕合根目錄上,訊號燈剛度將衰減約半頁,這面對訊號燈平均分配和電率調整至關為重要。

屏蔽度是取決于解耦器使用性能的其他關鍵所在評價指標,JL-17/NF
3dB交織解耦器MCLI的不大屏蔽度為20dB,行之有效地少了手機信號燈流露,以確保了系統的穩相關性高性和可以信賴性。顯然,其較大VSWR臨界值1.30:1,表示了太低的手機信號燈全反射,最終得以提生了系統的總布局工作效率。 在加入損耗量問題,該合體器的主要值僅為0.7dB,這象征著表現在根據合體器時的電率消耗似然函數,這會有利于有效確保表現的全面性和難度。升幅動態不平衡量和相位動態不平衡量的主要值不同為±0.2dB和±2
Deg,有效確保了在合體根目錄分析和直達根目錄分析彼此表現難度和相位的準確度配比,這相對多根目錄分析表現處里愈加極為重要。 JL-17/NF
3dB混和合體器MCLI才能事情的主要輸入事情事情電壓為3W,這保護了其在高事情事情電壓應該用中的的安全等級和固相關性。時候,其事情體溫范疇從-55°C至+85°C,使其才能在極致環境下依舊穩定優異的的事情性能方面。
鄭州市立維創展網絡非常有限裝修公司,授權證書代辦推廣MCLI的產品,邀請的客戶咨訊。