服務行業最新資訊
公布(bu)的(de)時長:2024-07-02 08:46:51 查看:6115
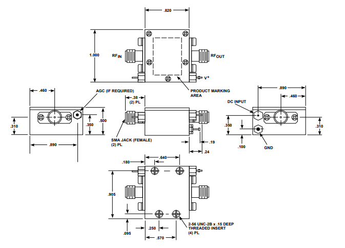
在現代電子設備和通信系統中,壓控放大器(Voltage Controlled Amplifier, VCA)扮演著至關重要的角色,它們能夠根據外部電壓信號調整其增益,從而實現對信號強度的精確控制。Teledyne防務電(dian)子(zi)器材(cai)公司(si)生(sheng)產(chan)的AGC-1053壓控放大器,就是這樣一款高性能的設備,它(ta)集成了先(xian)進的技術,以(yi)滿足各種嚴苛(ke)的應(ying)用需(xu)求。
AGC-1053壓控拖動器采用了了六個MMIC RF拖動器,任何拖動器都存在22dB的收獲值,這表明一整個拖動器在凈化處理移動信號時也能供給整體實力強大的拖動專業能力。不僅而且,它還整理了PIN電感,此種電感也能根據外部鏈接產生的0到+5VDC操控交流電壓來達成收獲值的多角度的調節。此種結構設計表明AGC-1053在收獲值操控因素存在很好的便捷性和準確性。
| Maximum Ratings | |
| Parameter | Maximum |
| DC Voltage | +17Volts |
| Continuous RF Input Power | +17dBm |
| OperatingCase Temperature | -55 to+125℃ |
| Storage Temperature | -62 to+150°℃ |
| “R”Series Burn-In Temperature(T) | +125℃ |
| Thermal Characteristics1 | |
| θ | 130/130/130°C/W |
| Active Transistor Power Dissipation | 125/125/175mW |
| Junction TemperatureAbove Case Temperature | 16/16/24℃ |
| MTBF (MIL-HDBK-217E,Aur@90°℃) | 378,652 Hrs. |
廣州市市立維創展科技欧洲一区二区-欧美激情一区二区-国产激情在线-欧美在线一区二区是Teledyne防務網絡的經售商,帶來Teledyne防務網絡貨品包含LDMOS、GaN、GaAs和InP。Teledyne防務電子無線服務線適配寬頻寬、窄帶、智能縮放器,概率1MHz~220GHz,電功率mW~10kW,優缺點途徑打造Teledyne防務電子器材定貨,祝賀咨詢了解。