服務行業快訊
推送(song)時(shi)光:2024-08-27 09:19:10 訪問 :6212
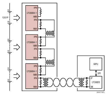
LTC6804是由ADI-LINEAR公司開發的(de)(de)第三代多節電(dian)池監(jian)(jian)控器芯片,專為高精度和高效率的(de)(de)電(dian)池管理系統(tong)設(she)計。該(gai)芯片能夠監(jian)(jian)測多達12個串(chuan)聯電(dian)池的(de)(de)電(dian)壓,總測量誤差低于1.2mV,適用于0V至5V的(de)(de)電(dian)池測量范圍(wei),使其(qi)兼容大多數化學組分的(de)(de)電(dian)池。

LTC6804的主要特點包括:
1. 高時速度預估:任何12節充電的電阻預估還可以在290微秒內達到,也支持軟件較低的數據分析搜集帶寬以減弱噪音分貝抑制性。 2. 可堆疊架構設計:另一個LTC6804單片機芯片能能串接用到,進行對長串高電阻鋰電的也攝像頭監控。 3. isoSPI插孔:內置的isoSPI插孔搭載高速收費站、抗RF不干擾的局域通信網,運用單根雙銅絞合線可過去了200米,擁有低EMI皮膚敏感度和散發。 4. 精確度高測量:1.2mV的最好總測量誤差率,已經16位增加累計(ΔΣ)型ADC,購置頻繁 可程序編寫的三階低頻噪音濾波器。 5. 多功效性:涵蓋坐以干電池自由電荷均衡性、內置5V電源穩壓器和5根通用性的I/O線,用于于溫或其它的感應器器鍵入,并可安裝為I2C或SPI控制器器。 6. 低功能耗損:在唾眠經營模式下,功率耗損降低至4μA。 7. 封裝:用于48引腳SSOP封裝。型號:
| TUBE | TAPE AND REEL | PART MARKING* | PACKAGE DESCRIPTION | SPECIFIED TEMPERATURE RANGE |
| LTC6804IG-1#PBF | LTC6804IG-1#TRPBF | LTC6804G-1 | 48-Lead Plastic SSOP | -40℃ to 85℃ |
| LTC6804HG-1#PBF | LTC6804HG-1#TRPBF | LTC6804G-1 | 48-Lead Plastic SSOP | -40℃ to 125℃ |
| LTC6804IG-2#PBF | LTC6804IG-2#TRPBF | LTC6804G-2 | 48-Lead Plastic SSOP | -40℃ to 85℃ |
| LTC6804HG-2#PBF | LTC6804HG-2#TRPBF | LTC6804G-2 | 48-Lead Plastic SSOP | -40℃ to 125℃ |
北京市立維創展信息技術是ADI \ Linear 的POS機總代銷商,以POS機代銷商代銷銷量現貨黃金ADI \ Linear為車輛特點,可出示即日竣工服務培訓,喜歡咨訊。