領域咨訊
上線事件(jian):2024-12-04 17:08:25 瀏覽器:810
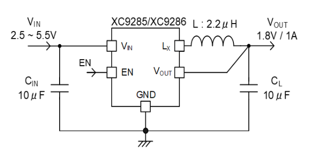
XC9286類別是款鑲入P內孔推動FET和N端口能夠FET的1.0A同時進行整流降血壓DC/DC轉變成器。
XC9286類(lei)型減(jian)壓同樣(yang)整流(liu)DC/DC換為器(qi)(qi)打印(yin)輸出(chu)工作電(dian)(dian)壓要在 0.8V 至 3.6V 範圍(wei)范圍(wei)內(nei)以 0.05V 間隔時間對(dui)其進行合適設有。僅有的冗余裝(zhuang)置設備是電(dian)(dian)感電(dian)(dian)磁鐵和電(dian)(dian)溶器(qi)(qi)器(qi)(qi)。
HiSAT-COT操(cao)作的高速(su)公(gong)路瞬態(tai)加載新技術也可以在電(dian)(dian)機(ji)負載阻(zu)尼振(zhen)蕩前一天(tian)將輸入(ru)的電(dian)(dian)壓降下去低(di)點,特別合適FPGA和必須要 傷害線(xian)電(dian)(dian)壓穩定準確性(xing)的設(she)施設(she)備等瞬時負載電(dian)(dian)阻(zu)波動性(xing)相對較(jiao)大的應(ying)運科(ke)技領(ling)域。
基(ji)于應(ying)用,還可(ke)以順利(li)通過 SOT-25 和 USP-6C 下選擇裝封。

特點
進(jin)入電壓電流 2.5V ~ 5.5V
的輸出線(xian)電壓區(qu)間 0.8V~ 3.6V (±2.0%)
輸入輸出工作電(dian)流(liu) 1.0A
率(lv)範圍 1.2MHz
的效率 92%
(VIN=3.8V,VOUT=1.8V,IOUT=200mA)
電(dian)流大小衰減 15μA
行車(che)制動(dong)方(fang)式(shi) HiSAT-COT控(kong)制車(che)
PWM/PFM會自動設定控(kong)住
防護傳動裝置 熱關(guan)斷
瞬時電流上限
斷路愛護(B型)
特點 軟運行
UVLOCL電流(B型)
手機輸入(ru)輸入(ru)輸出電阻 兼容(rong)瓷器濾波電容(rong)
事情高溫(wen) -40℃ ~ 105℃
蘇州(zhou)市(shi)立維創展科技發展限制總部優勢分銷管理TOREX24v電源配件,大量(liang)現貨交易倉庫,追捧(peng)顧問(wen)。
類型 | 性質 | 的輸出線電壓 | 崗位頻次 | 封口 |
| XC9286A08CMR-G | 無(wu)CL蓄電(dian)池放電(dian),無(wu)斷路保護區 | 0.8V | 1.2MHz | SOT-25 |
| XC9286A0LCMR-G | 無CL電(dian)流(liu),無串電(dian)防護 | 0.85V | 1.2MHz | SOT-25 |
| XC9286A09CMR-G | 無CL釋放電能,無串電庇(bi)護 | 0.9V | 1.2MHz | SOT-25 |
| XC9286A0MCMR-G | 無CL電池充(chong)電,無跳閘確保(bao) | 0.95V | 1.2MHz | SOT-25 |
| XC9286A10CMR-G | 無CL擊穿(chuan),無擊穿(chuan)保(bao)證 | 1V | 1.2MHz | SOT-25 |
| XC9286A1ACMR-G | 無CL蓄電(dian)池充電(dian),無出現(xian)短路保(bao)護區 | 1.05V | 1.2MHz | SOT-25 |
| XC9286A11CMR-G | 無CL電流,無發生故障保護的 | 1.1V | 1.2MHz | SOT-25 |
| XC9286A1BCMR-G | 無CL釋放(fang),無串電防護 | 1.15V | 1.2MHz | SOT-25 |
| XC9286A12CMR-G | 無CL蓄電池放電,無漏(lou)電守護 | 1.2V | 1.2MHz | SOT-25 |
| XC9286A1CCMR-G | 無CL充放(fang),無漏(lou)電(dian)保養 | 1.25V | 1.2MHz | SOT-25 |
| XC9286A13CMR-G | 無CL蓄電(dian)池放電(dian),無出現短路(lu)保證 | 1.3V | 1.2MHz | SOT-25 |
| XC9286A1DCMR-G | 無CL電流(liu),無燒壞(huai)保護 | 1.35V | 1.2MHz | SOT-25 |
| XC9286A14CMR-G | 無CL電流,無斷路庇(bi)護 | 1.4V | 1.2MHz | SOT-25 |
| XC9286A1ECMR-G | 無(wu)CL自放(fang)電(dian),無(wu)漏電(dian)自我(wo)保護 | 1.45V | 1.2MHz | SOT-25 |
| XC9286A15CMR-G | 無CL尖(jian)端放電,無擊穿保護措施 | 1.5V | 1.2MHz | SOT-25 |
| XC9286A1FCMR-G | 無(wu)CL蓄電池放電,無(wu)虛接防護 | 1.55V | 1.2MHz | SOT-25 |
| XC9286A16CMR-G | 無CL蓄電池放電,無短(duan)路(lu)等問(wen)題(ti)防護 | 1.6V | 1.2MHz | SOT-25 |
| XC9286A1HCMR-G | 無CL蓄電池充電,無斷路(lu)保(bao)護的 | 1.65V | 1.2MHz | SOT-25 |
| XC9286A17CMR-G | 無CL擊穿,無串電(dian)保(bao)護好 | 1.7V | 1.2MHz | SOT-25 |
| XC9286A1KCMR-G | 無CL電(dian)池充電(dian),無過壓(ya)自我(wo)保護(hu) | 1.75V | 1.2MHz | SOT-25 |
| XC9286A18CMR-G | 無CL擊穿,無短路等(deng)問題保養 | 1.8V | 1.2MHz | SOT-25 |
| XC9286A1LCMR-G | 無CL蓄電池充電,無出現短(duan)路庇護(hu) | 1.85V | 1.2MHz | SOT-25 |
| XC9286A19CMR-G | 無CL發(fa)出電,無燒壞確保 | 1.9V | 1.2MHz | SOT-25 |
| XC9286A1MCMR-G | 無CL發(fa)出電(dian),無過(guo)壓維護(hu) | 1.95V | 1.2MHz | SOT-25 |
| XC9286A20CMR-G | 無CL自放電,無漏(lou)電保護措施(shi) | 2V | 1.2MHz | SOT-25 |