服務行業信息資訊
上架精力:2025-01-09 15:36:48 網頁瀏覽(lan):802
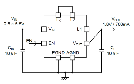
XCL244系類(lei)是次(ci)級(ji)線圈(quan)和管(guan)理IC分(fen)立(li)式型(xing)的超中(zhong)小型(xing),纖薄型(xing)(2.25mm x 1.5mm,h=0.75mm)降血壓DC/DC變為(wei)器。
XCL244型(xing)號減壓DC/DC變換器(qi)只(zhi)需在外表功(gong)率電(dian)子元器(qi)件上增長(chang)兩瓷質電(dian)阻器(qi)就能創立24v電(dian)源用電(dian)錢路。原帶初級線圈調(diao)整了錢路板平面布置,并最明顯程度縮短了因(yin)功(gong)率電(dian)子元器(qi)件歸類(lei)和接到(dao)線而使得的發(fa)動機(ji)故障和躁(zao)聲。效果電壓電流也可(ke)以在(zai)0.8V至3.6V的范(fan)圍內以0.05V連續(xu)使用相(xiang)關設(she)置。
HiSAT-COT把控的(de)髙速瞬態加(jia)載技術應(ying)用也(ye)能在(zai)額定負(fu)載價格波動(dong)過(guo)程(cheng)中(zhong)將輸(shu)入輸(shu)出輸(shu)出功率(lv)升到評均(jun),特點更(geng)適合(he)FPGA和想(xiang)要輸(shu)出電(dian)阻電(dian)阻穩明確(que)性的(de)主設備等瞬時電(dian)動(dong)機(ji)扭矩(ju)動(dong)蕩較(jiao)大(da)的(de)的(de)應(ying)用。
(*)HiSAT-COT是TOREX為DC/DC變(bian)換器車輛而一個人(ren)技(ji)巧創新的(de)(de)高速(su)度瞬態回(hui)應技(ji)巧。最支持(chi)于的(de)(de)要求(qiu)精密加工五金或(huo)者高穩定的(de)(de)度主機(ji)電(dian)(dian)(dian)源(yuan)的(de)(de)電(dian)(dian)(dian)壓(ya)的(de)(de)智能家(jia)居控制電(dian)(dian)(dian)路系統(tong)。
結構特征
插入相(xiang)電壓(ya)範(fan)圍:2.5V ~ 5.5V
輸(shu)出精度相(xiang)電壓:0.80V ~ 1.00V (±20mV);1.05V ~ 3.60V (±2.0%);
速度規模:3.0MHz
讀取(qu)感應(ying)電(dian)流(liu):700mA
電(dian)流大小消耗的資金:25μA
率:83%(VIN=3.8V,VOUT=1.8V,IOUT=400mA)
控制原則:HiSAT-COT操縱,PWM/PFM自動的(de)優(you)化;
保護性(xing)因素(su):
熱(re)封閉
電流大小局限
短路等(deng)問題保養
作用:
軟(ruan)通電
UVLO
CL電流
濾波電器皿:兼(jian)容瓷器濾波電器皿
業(ye)務室溫(wen):-40℃~105℃
南京市立維創展網絡十分有限限公司特色分銷商城TOREX電配件,非(fei)常(chang)多的(de)期(qi)貨庫(ku)存積壓,喜歡詳詢。

形(xing)號(hao) | 類(lei)行 | 輸入輸出電流(liu) | 辦公率 | 封口 |
XCL244B083D2-G | 軟通電(dian)時間間隔:0.3ms | 0.8V | 3.0MHz | USP-8B04 |
XCL244B0L3D2-G | 軟(ruan)開始(shi)事件(jian):0.3ms | 0.85V | 3.0MHz | USP-8B04 |
XCL244B093D2-G | 軟啟動器時的時間:0.3ms | 0.9V | 3.0MHz | USP-8B04 |
XCL244B0M3D2-G | 軟進行時段:0.3ms | 0.95V | 3.0MHz | USP-8B04 |
XCL244B103D2-G | 軟初(chu)始化時間段:0.3ms | 1V | 3.0MHz | USP-8B04 |
XCL244B1A3D2-G | 軟加載日子:0.3ms | 1.05V | 3.0MHz | USP-8B04 |
XCL244B113D2-G | 軟通電時長:0.3ms | 1.1V | 3.0MHz | USP-8B04 |
XCL244B1B3D2-G | 軟啟(qi)動(dong)器服務器時間段(duan):0.3ms | 1.15V | 3.0MHz | USP-8B04 |
XCL244B123D2-G | 軟加(jia)載時候:0.3ms | 1.2V | 3.0MHz | USP-8B04 |
XCL244B1C3D2-G | 軟再啟(qi)動時刻:0.3ms | 1.25V | 3.0MHz | USP-8B04 |
XCL244B133D2-G | 軟啟時(shi)日子:0.3ms | 1.3V | 3.0MHz | USP-8B04 |
XCL244B1D3D2-G | 軟開機(ji)精力(li):0.3ms | 1.35V | 3.0MHz | USP-8B04 |
XCL244B143D2-G | 軟(ruan)無法日(ri)子:0.3ms | 1.4V | 3.0MHz | USP-8B04 |
XCL244B1E3D2-G | 軟(ruan)初始化的(de)時(shi)間:0.3ms | 1.45V | 3.0MHz | USP-8B04 |
XCL244B153D2-G | 軟加載時刻:0.3ms | 1.5V | 3.0MHz | USP-8B04 |
XCL244B1F3D2-G | 軟(ruan)初始化時長:0.3ms | 1.55V | 3.0MHz | USP-8B04 |
XCL244B163D2-G | 軟開始(shi)時間間隔:0.3ms | 1.6V | 3.0MHz | USP-8B04 |
XCL244B1H3D2-G | 軟開始精力:0.3ms | 1.65V | 3.0MHz | USP-8B04 |
XCL244B173D2-G | 軟發動日子:0.3ms | 1.7V | 3.0MHz | USP-8B04 |
XCL244B1K3D2-G | 軟啟的(de)日子:0.3ms | 1.75V | 3.0MHz | USP-8B04 |
XCL244B183D2-G | 軟開機時間:0.3ms | 1.8V | 3.0MHz | USP-8B04 |
XCL244B1L3D2-G | 軟(ruan)啟(qi)的日子:0.3ms | 1.85V | 3.0MHz | USP-8B04 |
XCL244B193D2-G | 軟再啟動時長(chang):0.3ms | 1.9V | 3.0MHz | USP-8B04 |
XCL244B1M3D2-G | 軟重啟精力(li):0.3ms | 1.95V | 3.0MHz | USP-8B04 |
XCL244B203D2-G | 軟(ruan)通電時間間隔:0.3ms | 2V | 3.0MHz | USP-8B04 |