互聯網行業資迅
發(fa)布新聞的時間:2025-06-18 16:36:56 閱覽(lan):325
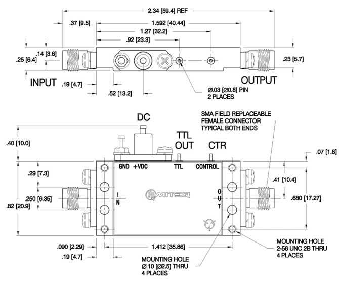
ABIT5-08001200-30-22P-S是一個款(kuan)研究背景(jing)Narda-MITEQ制(zhi)做的內嵌式(shi)測式(shi)檢驗器(qi)增加(jia)器(qi),強(qiang)院于(yu)精(jing)(jing)密加(jia)工(gong)制(zhi)造訊號檢驗與增加(jia)裝修設計做成。其核(he)心思想技能還包括實時路況訊號檢驗、動態性增益值(zhi)整改(gai)及內嵌式(shi)自我(wo)檢查(cha)規(gui)則,核(he)心應用在(zai)工(gong)控主設備(bei)智能化、通信(xin)技術主設備(bei)及高精(jing)(jing)準度在(zai)測量行業。
特點技術參數
速率標準:8-12 GHz。
增益值:30 dB。
相位嘈(cao)音(yin):2.5 dB。
1 dB增益控制壓縮成:1 dB 增加收益文件壓縮不(bu)底于(yu)24 dBm。
BIT檢側閥值(zhi):不高于 20 dBm。
BIT檢測工(gong)具格局:TTL 單端(duan)。
的輸出馬力:Logic 1 = +3.7 ±1.3 VDC。
裝封:盒裝。
特色
?只(zhi)能根據分壓器或第(di)三方(fang)電原體(ti)現第(di)三方(fang)域(yu)值掌握
?直接TTL輸出電壓
?高至1/2w的(de)CW轉換功率轉換
?密封墊性Kovar下端也(ye)能符(fu)合苛求的軍事化(hua)環(huan)保
?可可以提供太多的另一(yi)電力設備(bei)主要參(can)數(shu)、預留連結器(qi),僅論文檢測輸出(chu)(無rf射頻(pin))
適用鄰域
天文(wen)研發:支(zhi)持于天文(wen)測量(liang)機的移動信號拖動與(yu)加(jia)測。
室(shi)內(nei)環(huan)境(jing)空間APP:主要是(shi)用(yong)做室(shi)內(nei)環(huan)境(jing)空間遙測、衛(wei)星(xing)數字信號無線通(tong)訊等層面的數字信號擴大。
高可靠性應用:在需要高可靠性的電子系統中,ABIT5-08001200-30-22P-S可提供良好的信號放大與監測功能。
中國軍事企業(ye):達到中國軍事企業(ye)的(de)(de)領(ling)域對光電商(shang)品(pin)的(de)(de)嚴苛必須。
醫療服務:在醫療設備中,如醫療影像設備、生命體征監測設備等,ABIT5-08001200-30-22P-S適合于信號的放大和處理。
武漢市立維創展現代科技較少企業依照新西蘭總集團自然強勢,重視MITEQ車輛線,無論是否收購公司融資怎樣不同,永遠你喜歡MITEQ成品線定(ding)貨的(de)渠道和(he)售服(fu)服(fu)務于(yu)兼容(rong),歡迎語與我們公司(si)聯席會。

指標 | ABIT5-08001200-25-24P | ABIT5-04000800-25-25P |
幀率范圍之內(nei)(Frequency range) | 8–12 GHz | 4–8 GHz |
增益值(Gain) | 30 dB 超小(xiao)值 | 30 dB 輕(qing)柔的值 |
燥聲(sheng)因子(Noise figure) | 2.5 dB 較大值(zhi) | 2.5 dB 非常(chang)大值 |
1 dB增益值壓(ya)縮(suo)的(1 dB gain compression) | 24 dBm 最低值 | 25 dBm 比較小值(zhi) |
BIT檢查測量器(qi)閥值(zhi)(BIT detector threshold) | < 20 dBm* | < 20 dBm* |
BIT檢側格式(shi)文件(BIT detection format) | TTL 單端 | TTL 單端 |
打印輸出(chu)(chu)輸出(chu)(chu)(Output power) | Logic 1 = +3.7 ±1.3 VDC | Logic 1 = +3.7 ±1.3 VDC |
Logic 1 = +0.4 ±0.4 VDC | Logic 1 = +0.4 ±0.4 VDC |