行業領域信息資訊
上架時間段:2025-07-04 16:31:08 打開網頁:116
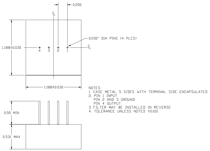
2317帶(dai)(dai)通濾(lv)波器(qi)是KR Electronics生(sheng)產(chan)制(zhi)造的那款性能比較(jiao)高(gao)指(zhi)標帶(dai)(dai)通濾(lv)波器(qi),其寬阻帶(dai)(dai)性無比比較(jiao)適合具有(you)著(zhu)繁雜侵擾生(sheng)態環境的場(chang)景中,2317帶(dai)(dai)通濾(lv)波器(qi)順利通過節構(gou)的調整與高(gao)品性建材軟(ruan)件,改(gai)變超(chao)底放(fang)進去消耗(保持4g信號通帶(dai)(dai)內科(ke)學(xue)規(gui)范率(lv)數(shu)(shu)據(ju)傳輸(shu))、超(chao)多阻帶(dai)(dai)衰減(深度的的控制(zhi)60dB以上(shang)的擾亂數(shu)(shu)字(zi)網絡信號)及動態平衡群遲緩特征參數(shu)(shu)(確(que)保多頻(pin)數(shu)(shu)字(zi)網絡信號發送(song)到數(shu)(shu)據(ju)傳輸(shu)的時段保持穩(wen)定性、完整性)3大(da)枝(zhi)術攻克(ke),為5G通信網絡、高(gao)精度五(wu)金感(gan)測(ce)器(qi)等中頻(pin)次游(you)戲場(chang)景展(zhan)示 高(gao)功率(lv)方面網絡信號正(zheng)確(que)處理解(jie)決辦法設計(ji)方案。
核心內容叁數
公司工作頻(pin)率(lv):6.5 kHz
通帶(dai)(dai)帶(dai)(dai)寬起步(bu):7 kHz(±3.5 kHz)
通帶衰(shuai)減(jian):≤2 dB(明顯值(zhi))
阻帶衰減:
1.1 kHz處≥32 dB
1.5kHz處≥22 dB
3.0kHz處≥2 dB
22.9kHz處≥32 dB
封(feng)裝(zhuang)組織形式(shi):PCB的安(an)裝(zhuang)(表面層貼裝(zhuang)或ps插件可選裝(zhuang)擇)
性電阻值:1.2 kΩ(類(lei)型值)

軟件應用方向
通信操作系統
l 無(wu)限網絡(luo)通信(xin):考慮獨特頻段(duan)表現,抑制鄰頻干涉,提(ti)升(sheng)網絡(luo)通信(xin)產品(pin)質量。
l 調制解(jie)調解(jie)調器(qi)/無線網電考慮到(dao)器(qi):首(shou)要陣營,確認4g信號精準考慮到(dao)。
錄音治理
l 背景噪(zao)聲(sheng)解(jie)決:清理(li)中(zhong)頻(pin)風噪(zao)(如嗡(weng)嗡(weng)嗡(weng)聲(sheng))和中(zhong)頻(pin)電流(liu)聲(sheng),增長音質。
l 聲(sheng)效大全(quan)促進(jin):取得立體聲(sheng)或管弦樂器頻段,創辦層次性聲(sheng)效大全(quan)(如“固定電(dian)話音”)。
生物制品藥學工業
l 順利數據信(xin)息治理:得到心電(dian)圖檢查(ECG)、腦電(dian)圖(EEG)等(deng)生(sheng)物技術走勢中的唯一性(xing)次數部分,輔助器評(ping)估。
感知器使用
l 產生振(zhen)動/加(jia)速器(qi)度傳探(tan)測器(qi)器(qi):獲得(de)感欲望(wang)頻點因素,加(jia)強在線檢測要求和機系統安(an)全可信性(xing)。
北京市立維創展自動化較少總部軟件授權代理商銷售人員KR Electronics濾波器貨品。并(bing)出具服務的顧問和售后(hou)維(wei)修新(xin)技術搭載(zai)服務的。