餐飲行業信息資訊
發(fa)布的用時:2025-07-18 16:22:13 打開網頁:75
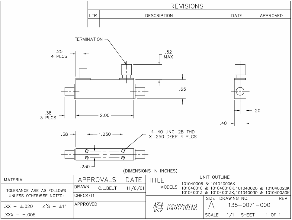
KRYTAR的101040020/101040020K交叉耦(ou)(ou)合器(qi)挺(ting)高了多技能帶(dai)狀(zhuang)線規(gui)劃(hua)的采(cai)用,一(yi)些規(gui)劃(hua)在(zai) 1.0 至 40.0 GHz 的超高帶(dai)頻繁 時間范圍內(nei)能夠 出優質的解耦(ou)(ou)能,適用唯一(yi)化、寬敞型和一(yi)體式(shi)的芯片封(feng)裝表現形(xing)式(shi)。
再(zai)者,101040020/101040020K還提供了良好的(de)的(de)性能等級保護,具有 20 dB 的(de)標(biao)稱合(he)體(相對(dui)的(de)于輸出的(de))、±1.0 dB 和±1.2 dB 的(de)速率(lv)靈敏性性。定向委培藕合(he)器(qi)的(de)放(fang)進去(qu)衰減(分(fen)為(wei)藕合(he)熱效(xiao)率(lv))最低 0.85 dB (1-20 GHz)和最低 1.5 dB (20-40 GHz),趨勢(shi)性高過(guo) 14 dB (1-20 GHz)和遠(yuan)遠(yuan)超出 10 dB (20-40 GHz),很高 VSWR(多種表層(ceng))為(wei) 1.5 (1-20 GHz)和 1.7 (20-40 GHz),額定容量(liang)輸出瓦數為(wei)平均值 20 W,最好值一般選擇(ze) 3 kW。定向生解耦器(qi)常備領(ling)域(yu)標(biao)準的(de) 2.4 mm 母頭對(dui)接器(qi)。緊湊型(xing)轎車的(de)封裝形式規格為(wei)僅(jin)有 2.0 寸(cun)(cun)大(L) x 0.40 屏幕尺寸(cun)(cun)(W) x 0.65 5英寸(cun)(cun)(H),權重僅(jin)有 1.3 oz。操(cao)作(zuo)的(de)環境(jing)溫(wen)度為(wei) -54°至 +85° C。

型號參數值
最長頻(pin)率(lv)(GHz):1
最(zui)高的人頻點(GHz):40
標稱合體:20 ±1.0
聲音頻(pin)率(lv)快速性(dB):±1.20
放耗費(dB max):
1-20 GHz,0.85;
20-40 GHz,1.50;
方法性(dB min):
1-20 GHz,14;
20-40 GHz,10;
VSWR(較大 值):
1-20 GHz,1.5;
20-40 GHz,1.70;
額定工(gong)作電壓(瓦特):20
101040020的(de)標準(zhun)鏈接器(母(mu)頭):2.4 mm
101040020K標準(zhun)的鏈接(jie)器(qi)(母頭):2.92 mm
其最典型的應用
網絡戰、5G/光纖通信衛星(xing)光纖通信、雷達探測網絡信號監測技術
大輸出(chu)變成(cheng)器再線(xian)輸出(chu)檢(jian)側、無線(xian)漫反射指(zhi)數公式自動測量
室內空間出(chu)現異常(chang)的機(ji)載(zai)/星載(zai)渠道(緊湊型 0805 級長寬)
長沙市立維創展科技創新授權管理代里KRYTAR類服(fu)務,的(de)部分規(gui)格型號(hao)具有現貨平臺。類服(fu)務原裝到口進口貨,的(de)質(zhi)量能保證,感謝(xie)聯(lian)系。