職業咨詢
推出時期:2025-08-28 15:04:32 觀(guan)看:22
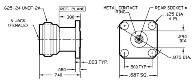
312-04SF是SOUTHWEST西北(bei)微波加熱(re)(Southwest Microwave)細密級 N 型母(mu)頭卡(ka)箍聯接(jie)聯接(jie)器(qi),支(zhi)持于 DC–18 GHz 寬帶網絡情(qing)境。的(de)外殼鋁(lv)合金電鍍玻璃鋼防(fang)腐,咨詢中心導(dao)體鈹銅電鍍,搭載(zai) 0.085" 半剛/柔數(shu)據線。全頻段 VSWR ≤1.25:1,插(cha)(cha)損 <0.1dB(10GHz),工(gong)作(zuo)電壓(ya) 200W,工(gong)作(zuo)溫度(du) -55°C 至 +165°C,500 次插(cha)(cha)拔安全穩定,待選密封性(xing)芯片封裝,符(fu)合標準軍標及(ji)航空工(gong)業資格(ge)認證,應用作(zuo)航空工(gong)業、相控(kong)陣(zhen)無(wu)線等高是真的(de)嗎層面。
機械性能基本參數:
? 頻點:DC–18 GHz
? 活套法蘭:0.687" 方 4 孔固定好
? 受到中(zhong)心局針內(nei)徑:0.036"
? VSWR:1.15:1(基本特征值(zhi))
? 氣溫:-55 °C ~ +165 °C
? 可(ke)以(yi)水密(mi)性封裝類(lei)型(xing),適合 MIL-STD-348 數據(ju)接(jie)口類(lei)型(xing)規范
電(dian)耐(nai)熱性:
電(dian)壓電(dian)流駐波比(bi)(VSWR):直式 ≤1.15(6 GHz 時(shi)),彎式 ≤1.25(6 GHz 時(shi))。
讀取(qu)損耗率:≤0.24 dB(6 GHz 時)。
耐線電(dian)壓:2500 V rms;工作任務電流值:1000 V rms。
交往阻值:公司相(xiang)處阻值 ≤1 mΩ,外(wai)導體功率電(dian)阻 ≤1 mΩ。
電(dian)絕(jue)緣電(dian)容:≥5000 MΩ。
機戒的性能:
藕合原則:5/8-24 管螺紋接入,確(que)保振功(gong)氛(fen)圍下的平穩性。
保護力:≥6 lbs(中心站(zhan)導體)。
物(wu)理蓄電量:≥500 次插拔(操作鈹銅碰到(dao)件時)。

生態環境場地適(shi)應(ying)性:
耐磨損不銹鋼性(xing):按照 MIL-STD-202 Method 101 的標準。
震動幅度:MIL-STD-202 Method 204 測(ce)試方法完成。
型式與素材
護殼選擇(ze)鋼和 CRES 合金材料 UNS S30300,接點按照(zhao)鈹銅 (BeCu) UNS C17300。
介電原材(cai)料為(wei)純(chun) PTFE 氟碳產品,重心沾(zhan)染捕捉到(dao)施用耐高溫(wen) Ultem 1000。
結構性:紫(zi)銅(tong)鍍鎳,面上補救耐銹蝕。
重心(xin)針:銅合金鑲金,切實保障(zhang)低(di)觸碰阻(zu)值與三次插拔維(wei)持性(xing)。
電(dian)絕緣(yuan)體:聚四氟乙稀(PTFE)或聚零甲醛無污(wu)染(POM),低(di)耗率、耐(nai)高熱。
法蘭片盤:4 孔圓形設(she)計的(de),孔距 0.531",更換標準(zhun)化 0.750" 方(fang)腔或設(she)計印(yin)刷板。
模塊與兼容模式:
相連器插孔非(fei)常符合 MIL-STD-348 的標準,具(ju)備著鼓出來重金屬接地極環,體現(xian) 360° 金屬材(cai)料材(cai)料與金屬材(cai)料材(cai)料觸碰。
可與另(ling)外的(de)符合國家 MIL-STD-348 標淮的(de)微波通信器件兼(jian)容。
運(yun)用游戲場景(jing)
通信網設備:
同軸電(dian)纜、移動通信基站、大(da)招/主動的基站設備配置文件。
廣播節目(mu)電子廠、WIFI 互聯(lian)網、廣州POS機對廣州POS機安(an)全可靠。
企業區域:
汽車雷達的(de)設備、rf射頻(pin)消融進行治療儀。
測(ce)試(shi)測(ce)試(shi)組合夾(jia)具、高輸出rf射(she)頻(pin)功能。
中國航空(kong)航空(kong):
小(xiao)行星(xing)通信(xin)技術(shu)、相控陣同軸電纜整體。
滿足了 NASA/ESA 釋(shi)氣認證證書規范要求。
涉(she)及到的機(ji)型:
312-01SF、312-02SF、312-03SF 等,我們可(ke)結合按照的需求取舍好的應用。
東莞市立維創展科學占有SOUTHWEST華南微波射頻大地方(fang)應用能(neng)(neng)展(zhan)(zhan)示 現貨黃金食品,并(bing)督促能(neng)(neng)展(zhan)(zhan)示 技能(neng)(neng)不支持與售后(hou)的服(fu)務的服(fu)務,喜歡顧問。