HMC311LP3異質結雙化學性質晶胞管 ADI外盤
發布了時間段:2019-02-18 10:05:38 瀏覽訪問(wen):1620
HMC311LP3就是款GaAs InGaP異質結雙電性結晶體管(HBT)增加收益功能MMIC SMT變大器,本職工作工作頻率規模為DC至6 GHz。 此款3x3mm QFN打包封裝變大器可以作級聯50 Ohm增加收益級或用到驅動軟件所在諧波失真可以達到+17 dBm的HMC混頻器LO。 HMC311LP3(E)提高14.5 dB的增加收益,+32 dBm的所在IP3,時僅需+5V電源開關提高56 mA電壓電流。 常用的達林頓上報對可大幅度降低對平常加工制作工藝 轉變的刺激性度,提高卓越的濕度增加收益穩定的性,只需不多的冗余偏置構件。
|
品牌
|
型號
|
貨期
|
庫存
|
|
ADI
|
HMC311LP3
|
1周
|
60
|
假如您是需要購HMC311LP3,請打開左邊客戶服務中心關系自己!!!
HMC311LP3用(yong)途
-
蜂窩/PCS/3G
-
固定無線和WLAN
-
有線電視和電纜調制解調器
HMC311LP3特殊性和特殊性
-
P1dB輸出功率: +15.5 dBm
-
輸出IP3: +32 dBm
-
增益: 14.5 dB
-
50 Ohm I/O’s
-
16引腳3x3 mm SMT封裝: 9mm2
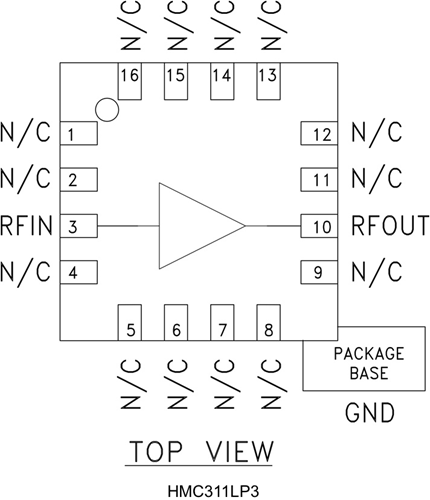
HMC311LP3結構圖

深圳市立維創展科技代理銷售ADI現貨產品,致力于為廣大客戶提供低價格、高質量、有保障的產品,提供優質的售前與售后服務技術。如您有任何產品需求以及服務請聯系我們客服人員,我們會再第一時間內為您解決問題。