制造業咨訊
更(geng)新準(zhun)確(que)時間:2019-02-25 11:12:58 查看(kan):2176
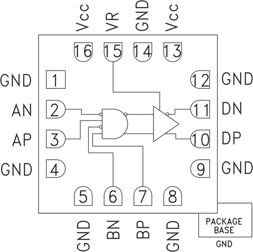
HMC746是種AND / NAND / OR / NOR技能,旨在通過搭(da)載自由高至(zhi)13 Gbps的(de)數劇發送(song)波特率和(he)自由高至(zhi)13 GHz的(de)數字時鐘速度。HMC746不錯很非常容易地(di)配值為(wei)出(chu)具(ju)下(xia)述(shu)任意思想功能性:AND,NAND,OR和(he)NOR。HMC746還具(ju)備著(zhu)傳輸電平把控好引腳VR,可控制耗率賠償或警報電平系統優化。
HMC746的其他投入和導出數據信號均以50歐姆至V cc片(pian)內(nei)端接,可不可以是學習交流(liu)或電(dian)流(liu)交叉(cha)耦合(he)。投入(ru)和導出(chu)需要隨便(bian)連接方式(shi)到50歐姆(mu)至V cc端(duan)(duan)接(jie)系(xi)統軟件(jian)化(hua)(hua),而比如端(duan)(duan)接(jie)系(xi)統軟件(jian)化(hua)(hua)的接(jie)地(di)50歐(ou)姆,則還可以安全使用(yong)隔直電(dian)阻(zu)。HMC746適用(yong)+ 3.3V單主機(ji)電(dian)源用(yong)電(dian),適用(yong)適用(yong)RoHS條件(jian)的瓷質(zhi)3x3 mm SMT打包封裝(zhuang)。
倘若您須要定購HMC746LC3C,請點右測在線客服搞好關系我們都!!!
品牌
型號
貨期
庫存
ADI
HMC746LC3C
1周
90
應運
優勢和特征
22/21 ps
輸入輸出電流值擺幅:600 - 1100 mV
SMT二極管封裝:9mm2
示意圖
