HMC468ALP3E帶寬3位GaAs IC數字9衰減器 期貨
公布時(shi)段:2019-02-26 14:04:23 閱覽:1626
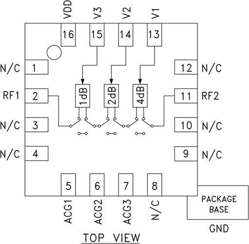
HMC468ALP3E不是款帶寬3位GaAs IC數碼衰減器,應用低資金無引腳表面上貼裝封口。 在DC到6.0 GHz頻帶寬度下操作,讀取損耗率如果低于1 dB主要表現值,最高的人實現4 GHz。 衰減器位值一般使用1 (LSB)、2和4 dB,總衰減為7 dB。 衰減精密度尤其高,主要表現步長確定誤差為±0.4 dB,IIP3為+55 dBm。 六個掌控直流電壓進入在0和+5V相互之間設置,中用使用每一個衰減環境。 需要+5V的單獨的Vdd偏置。
|
品牌
|
型號
|
貨期
|
庫存
|
|
ADI
|
HMC468ALP3E
|
1周
|
120
|
如(ru)若您需(xu)要(yao)購買HMC468ALP3E,請(qing)點擊(ji)右側客服聯系我們!!!
利用
-
蜂窩;UMTS/3G基礎設施
-
固定無線和WLL
-
微波無線電和VSAT
長處和特殊性
-
1 dB LSB步進至7 dB
-
高IP3: +55 dBm
-
誤碼率:±0.25 dB(典型值)
-
每位單個控制線路
-
+5V單電源
-
3x3 mm SMT封裝
關(guan)心圖

深圳市立維創展科技代理銷售ADI現貨產品,致力于為廣大客戶提供低價格、高質量、有保障的產品,提供優質的售前與售后服務技術。如您有任何產品需求以及服務請聯系我們客服人員,我們會再第一時間內為您解決問題。