HMC608LC4/HMC608LC4TR/HMC608LC4TR-R5中低檔輸出功率調小器 ADI現貨交易
上線耗時:2018-06-26 16:19:23 訪問(wen):2462
HMC608LC4不是款高日常動態比率GaAs pHEMT MMIC中級業務任務效率變大器,進行無引腳“無鉛”SMT裝封。該變大器給予五種業務任務摸式:高增加收益控制摸式(Vpd引腳短接至地);和低增加收益控制摸式(Vpd引腳提高短路)。下表信息顯示了在高增加收益控制摸式下業務任務的變大器的機械要求。該變大器有著9.5至11.5 GHz的業務任務比率,給予29.5 dB增加收益控制、+27.5 dBm是處于飽和狀態業務任務效率和23% PAE(+5V開關電源電壓降)。噪音比率為6 dB,而內容輸出IP3為+33 dBm。隔直RF I/O搭配至50 Ω,選用利于。HMC608LC4必須線焊,可選用表貼打造方法。
|
品牌
|
型號
|
描述
|
貨期
|
庫存
|
|
ADI
|
HMC608LC4,HMC608LC4TR,HMC608LC4TR-R5
|
中等功率放大器,采用SMT封裝,9.5 - 11.5 GHz
|
現貨
|
237
|
HMC608LC4應用(yong)
HMC608LC4優勢和特點
-
輸出IP3:+33 dBm
-
飽和功率:+27.5 dBm (23% PAE)
-
增益:29.5 dB
-
電源:+5V(310 mA時)
-
50 Ω匹配輸入/輸出
-
符合RoHS標準的4x4 mm SMT封裝
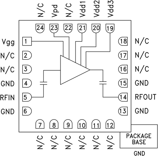
HMC608LC4結構圖
