HMC-ABH241/HMC-ABH241-SX3級GaAs HEMT MMIC中級電功率變大器 ADI現貨平臺
推送時:2018-06-26 16:30:49 搜素:2435
THMC-ABH241就是款英語四級GaAs HEMT MMIC中高公率調小器,運轉幀率使用范圍為50至66 GHz。 HMC-ABH241帶來24 dB增益值,選擇+5V外接電源電壓值時具有著+17 dBm輸出公率(1dB擠壓)。 因此焊盤和基帶芯片后殼都路經Ti/Au廢金屬化,調小器已幾乎鈍化以做到穩定方法。
HMC-ABH241 GaAs HEMT MMIC中高公率拖動器兼容一般的電源心片貼裝方式,相應熱文件壓縮和熱超聲清洗線焊接工藝藝,愈來愈好MCM和混合物微用電線路應用。 此頁顯示信息的擁有統計資料均是電源心片在50 Ω周圍環境下動用RF溫度探頭碰到精確測量。
|
品牌
|
型號
|
描述
|
貨期
|
庫存
|
|
ADI
|
HMC-ABH241
HMC-ABH241-SX
|
中等功率放大器芯片,50 - 66 GHz
|
現貨
|
249
|
THMC-ABH241應用
THMC-ABH241優勢和特點
-
輸出IP3: +25 dBm
-
P1dB: +17 dBm
-
增益: 24 dB
-
電源電壓: +5V
-
50 Ω匹配輸入/輸出
-
裸片尺寸: 3.2 x 1.42 x 0.1 mm
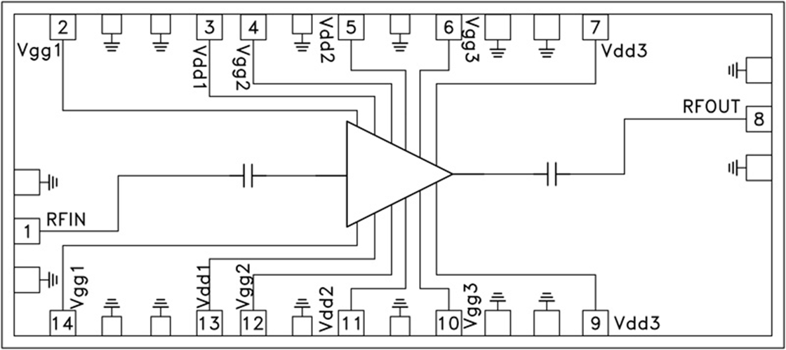
THMC-ABH241結構圖
