HMC-APH196/HMC-APH196-SX兩極中檔工作電壓變大器 ADI現貨黃金
上線日子:2018-06-26 16:40:28 閱讀(du):2207
HMC-APH196就是一款多級GaAs HEMT MMIC中級馬力變大器,工作上速度范圍之內為17至30 GHz。 HMC-APH196在20 GHz下供應20 dB增益值,運用+4.5V電源線電壓電流時兼有+22 dBm輸出馬力(1 dB壓縮成)。 其他焊盤和單片機芯片正反面都歷經Ti/Au合金化,變大器已基本鈍化以建立準確運作。
HMC-APH196 GaAs HEMT MMIC中等偏上輸出功率放縮器兼容過去的電子器件貼裝手段,甚至熱文件壓縮和熱超聲檢查線焊接藝,十分適當MCM和分層微電線軟件應用。 在此凸顯的因此數據資料均是電子器件在50 Ω學習環境下便用RF溫度探頭碰觸測定。
|
品牌
|
型號
|
描述
|
貨期
|
庫存
|
|
ADI
|
HMC-APH196
HMC-APH196-SX
|
中等功率放大器芯片,17 - 30 GHz
|
現貨
|
249
|
HMC-APH196應(ying)用(yong)
HMC-APH196優勢和特點
-
輸出IP3: +31 dBm
-
P1dB: +22 dBm
-
增益: 20 dB (20 GHz)
-
電源電壓: +4.5V
-
50 Ω匹配輸入/輸出
-
裸片尺寸: 3.3 x 1.95 x 0.1 mm
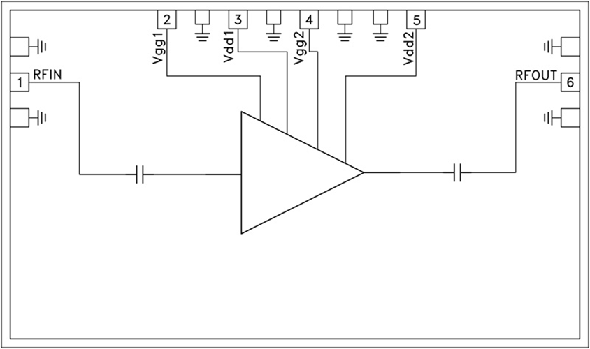
HMC-APH196結構圖
