HMC635LC4/HMC635LC4TR動力縮放器裸片 ADI現貨交易
推出(chu)時間間隔:2018-06-27 16:57:25 網頁瀏覽:1925
HMC635LC4是一種款GaAs PHEMT MMICwin7驅動包圖像電壓調大器裸片,運作平率范圍之內之內為18至40 GHz。 該圖像電壓調大器出具18.5 dB的增加收益、+27 dBm效果IP3及+22 dBm的效果運行工作效率(1 dB增加收益縮小時),功能損耗為280 mA(+5V外接電源)。 HMC635LC4相對合適看作微波加熱移動電用的win7驅動包圖像電壓調大器,或代替運作平率范圍之內之內為18至40 GHz的混頻器LO圖像電壓調大器,可出具達到了+23.5 dBm的供大于求效果運行工作效率(15% PAE)。 隔直圖像電壓調大器I/O內部結構一致50 Ω,相對合適智能家居控制到多單片機芯片組件(MCM)中。
[1]增加收益、工率和嘈音指數在測量導致已然抵減板消耗的資金。
|
品牌
|
型號
|
描述
|
貨期
|
庫存
|
|
ADI
|
HMC635LC4
HMC635LC4TR
|
GaAs PHEMT MMIC驅動放大器,18 - 40 GHz
|
現貨
|
237
|
HMC635LC4應用
-
點對點無線電
-
點對多點無線電和VSAT
-
軍事和太空
HMC635LC4優勢和特點
-
增益: 18.5 dB [1]
-
P1dB: +22 dBm [1]
-
輸出IP3: +27 dBm
-
飽和功率:
+23.5 dBm (15% PAE [1])
-
電源電壓: +5V @
280 mA
-
50 Ω匹配輸入/輸出
-
24引腳4x4mm
SMT陶瓷封裝: 16mm2
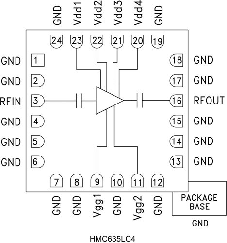
HMC635LC4結構圖
