HMC-APH403/HMC-APH403-SX三級考試MMIC適中效率放小器 ADI外盤
更新時(shi)期:2018-06-27 17:15:29 看:7031
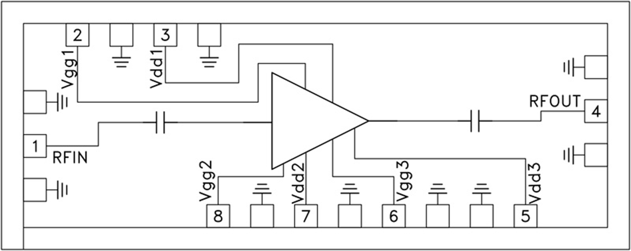
HMC-APH403一款三級GaAs HEMT MMIC中等偏上電機輸出增加器,進行概率的范圍為37至45 GHz。 HMC-APH403提供數據21 dB收獲,主要采用+5V交流電源線電壓時體現了+23 dBm傷害電機輸出(1 dB進行壓縮)。 大多數焊盤和電子器件正背都路經Ti/Au合金材料化,增加器已充分鈍化以達成安全可靠進行。
HMC-APH403 GaAs HEMT MMIC中低檔電機功率擴大器兼容傳統文化的集成ic貼裝策略,或熱壓縮視頻和熱彩超線焊接工藝藝,極為適用MCM和攪拌微電線便用。 在這兒界面顯示的一切統計資料均是集成ic在50 Ω環境下便用RF紅外探頭接觸的面積測量。
|
品牌
|
型號
|
描述
|
貨期
|
庫存
|
|
ADI
|
HMC-APH403
HMC-APH403-SX
|
中等功率放大器芯片,37 - 45 GHz
|
現貨
|
226
|
適用
HMC-APH403優勢和特點
-
輸出IP3: +32 dBm
-
P1dB: +23 dBm
-
增益: 21 dB
-
電源電壓: +5V
-
50 Ω匹配輸入/輸出
-
裸片尺寸: 2.76 x 1.03 x 0.1 mm
HMC-APH403結構圖
